FRICO ADCS22E - инструкции и руководства

model-name

Обогреватель FRICO ADCS22E - инструкции пользователя по применению, эксплуатации и установке на русском языке читайте онлайн в формате pdf

1 Page 1
2 Page 2
3 Page 3
4 Page 4
5 Page 5
6 Page 6
7 Page 7
8 Page 8
9 Page 9
10 Page 10
11 Page 11
12 Page 12
13 Page 13
14 Page 14
15 Page 15
16 Page 16
17 Page 17
18 Page 18
19 Page 19
20 Page 20
21 Page 21
22 Page 22
23 Page 23
24 Page 24
25 Page 25
26 Page 26
27 Page 27
28 Page 28
29 Page 29
30 Page 30
31 Page 31
32 Page 32
33 Page 33
34 Page 34
35 Page 35
36 Page 36
37 Page 37

Краткое содержание

Страница 30 - Вертикальная установка; Инструкция по монтажу и эксплуатации Thermozone AD Corinte A/E

Thermozone AD Corinte A/E 29 RU Вертикальная установка Завесы устанавливаются вертикально, с направлением каналов выдува в сторонузащищаемого проема. Перед установкой определитесь, понадобится ли проведение каких либо подготовительных работ (сверление, крепление), если вы устанавливаете завесу с ниж...

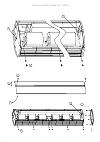
Страница 31 - Thermozone AD Corinte E - ADCS; Горизонтальная установка на стену

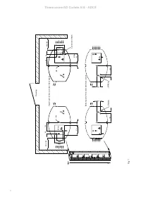
Thermozone AD Corinte E - ADCS 30 RU Горизонтальная установка на стену 1. Закрепите монтажные скобы на стене в соответствии с необходимой высотой расположения завесы Рис. 7 и 8. 2. Закрепите завесу на монтажные скобы при помощи шестигранника и болтов M8. Нанесите закрепитель резьбы Loctite 270 (3 мл...

Страница 32 - Перегрев

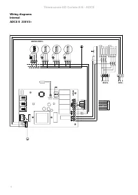
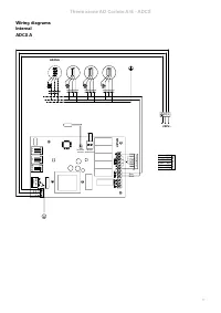
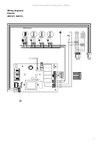
Thermozone AD Corinte A/E 31 RU после чего затяните винты. Перегрев Электродвигатели всех завес оборудованы термо датчиками, защищающими защиты завесы от перегрева. Смотри схему электроподключения на страницах 10-13. Термодатчик самостоятельно взведется как только температура двигателя понизится. По...

FRICO Обогреватели Инструкции