FRICO AD315E14 - инструкции и руководства

model-name

Обогреватель FRICO AD315E14 - инструкции пользователя по применению, эксплуатации и установке на русском языке читайте онлайн в формате pdf

1 Page 1
2 Page 2
3 Page 3
4 Page 4
5 Page 5
6 Page 6
7 Page 7
8 Page 8
9 Page 9
10 Page 10
11 Page 11
12 Page 12
13 Page 13
14 Page 14
15 Page 15
16 Page 16
17 Page 17
18 Page 18
19 Page 19
20 Page 20
21 Page 21
22 Page 22
23 Page 23
24 Page 24
25 Page 25
26 Page 26
27 Page 27
28 Page 28
29 Page 29
30 Page 30
31 Page 31
32 Page 32
33 Page 33
34 Page 34
35 Page 35
36 Page 36
37 Page 37
38 Page 38
39 Page 39
40 Page 40
41 Page 41
42 Page 42
43 Page 43
44 Page 44
45 Page 45
46 Page 46
47 Page 47
48 Page 48
49 Page 49
50 Page 50
51 Page 51
52 Page 52
53 Page 53
54 Page 54
55 Page 55
56 Page 56
57 Page 57
58 Page 58
59 Page 59
60 Page 60
61 Page 61
62 Page 62
63 Page 63
64 Page 64
65 Page 65

Краткое содержание

Страница 39 - Внимание! Не рекомендуется; Инструкция по установке и эксплуатации

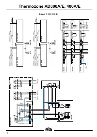
Thermozone AD300A/E, 400A/E 38 Общие положения Внимательно прочитайте настоящую инструкцию перед монтажом и эксплуатацией завес. Храните Инструкцию в надежном месте для последующего использования в случае необходимости. Назначение и область применения Воздушные завесы Thermozone AD300/400 предназнач...

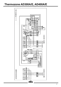
Страница 41 - Р х; CB30N; Пульт управления

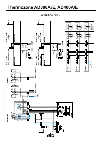
Thermozone AD300A/E, 400A/E 40 Typ AD 410A AD 415A AD 420A AD 410E14 AD 415E20 AD 420E27 Д ] - - - 13,5 20 27 ДV] 230з 230з 230з 230з 230з 230з ДA] 1,6 2,9 4,2 1,6 2,9 4,2 ДV] - - - 400V3з 400V3з 400V3з ДA] - - - 19,5 28,9 39,0 Д 3 / ] 1700 / 2500 1800 / 4200 2600 / 5000 1700 / 2500 1800 / 4200 2600...

Страница 42 - Please see EnglТsh pages for other regulatТons.

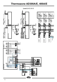
Thermozone AD300A/E, AD400A/E 41 RTI2, электронный 2х ступенчатый термостат Регулируемая величина интервала срабатывания (1– 10°C) и внутренняя шкала диапазона температур 5–35°C. Класс защиты: IP44 KRT1900, капиллярный термостат Одноступенчатый термостат с возможностью коммутации блока обогрева и ве...

FRICO Обогреватели Инструкции