Страница 2 - инФоРмаЦиЯ о ДиСКаХ; мЕРы ПРЕДоСтоРоЖноСти
ПРЕДУПРЕЖДЕниЕ: Чтобы снизить риск удара электрическим током, не допускайте по - падания воды на прибор. вниманиЕ: Данный прибор относится к продуктам с лазером класса 1. Нару - шение правил использования прибора может привести к лучевому поражению. Не пытайтесь самостоятельно починить прибор и не о...
Страница 3 - ПанЕлЬ УПРавлЕниЯ
1. Кнопка “Вкл./Выкл.” (PWR) 2. Кнопка выключения звука (Mute) 3. Кнопка выбора источника сиг - нала (SRC) [Radio, Disc, USB, Aux-in] 4. Кнопка переключения между местными и удаленными ра - диостанциями (LOC) 5. Сенсор ПДУ 6. Кнопка переключения режима “Моно/Стерео” (MO/ST) 7. Кнопки настройки радио...
Страница 5 - ПоДготовКа К РаБотЕ
5 1. Извлеките держатель ба - тареи из пульта. 2. Вставьте новую батарею отметкой (+) вверх. Вставь - те держатель батареи об - ратно в пульт. Нажмите кнопку , чтобы открыть переднюю панель, и нажмите , что - бы извлечь диск. Подключение/отключение USB устройств 1. Подключение Откройте резиновую заг...
Страница 6 - оБщиЕ оПЕРаЦии
6 вКлючЕниЕ/выКлючЕниЕ ПРиБоРа 1. Нажмите кнопку PWR, чтобы включить прибор. 2. Используйте кнопку SRC для выбора источника звука: диск или радио. 3. Удержите кнопку PWR больше 3 секунд, чтобы выключить при - бор. 4. Когда Вы выключаете машину или плеер, его настройки сохраня - ются в памяти. ФУнКЦи...
Страница 7 - чаСы и РаДио
7 РаДио Диапазон 1. Нажмите кнопку PWR, чтобы включить прибор. Нажмите кнопку SRC, чтобы выбрать режим радио. 2. Нажмите кнопку BAND, чтобы выбрать: FM1 → FM2 → FM3 → OIRT → AM1 → AM2. На экране отображается диапазон волн, частота и номер стан - ции в памяти прибора, если она сохранена. настройка Ру...
Страница 8 - НЕ ПОДДЕРЖИВАЮТСЯ; воСПРоиЗвЕДЕниЕ ДиСКов
8 ЗагРУЗКа ДиСКа • Нажмите кнопку , чтобы открыть панель, и вставьте диск. • Нажмите кнопку , чтобы открыть панель. Нажмите кнопку , чтобы извлечь диск. 1. После того, как Вы вставили диск, на экране появится надпись “LOAD” (Загрузка), а за ней надпись “READ” (Чтение). Для МР3 файлов время чтения мо...
Страница 9 - воСПРоиЗвЕДЕниЕ Файлов
9 При воспроизведении файлов на экране подключенного к магнитоле монитора отображается список каталогов и файлов. Текущий файл отображается в верхней части экрана и выделен курсором. Категории Для выбора категории используйте кнопки ◄/▲/▼/► и ENTER для ак - тивации. В зависимости от выбора категории...
Страница 10 - При обычном режиме воспроизведение прекращается после; Повтор отрезка A→B; РаБота С тРЕКами
10 выбор трека • Для перехода на предыдущий или следующий трек нажмите кнопку I◄◄ или ►►I. • Используйте кнопки 0 - 9 и 10+, чтобы ввести номер трека, на ко - торой хотите переключиться. Быстрая перемотка вперед/назад Нажмите и удержите кнопку I◄◄ или ►►I более 2 секунд, чтобы вы - брать скорость пе...
Страница 12 - воСПРоиЗвЕДЕниЕ DVD
12 выбор аудио Нажмите кнопку AUDIO или R/L для выбора языка озвучива - ния. Для VCD Нажмите кнопку R/L для выбора режима передачи звука: L (левый канал) → R (правый канал) → Stereo (стерео). выбор языка субтитров Нажмите кнопку SUB.T, чтобы выбрать язык субтитров. оглавление диска Нажмите кнопку TI...
Страница 13 - мЕню наСтРоЕК
13 Нажмите кнопку SETUP, чтобы войти в меню настроек. Для отображения меню магнитола должна быть под - ключена к монитору. Для выбора пунктов основного меню используйте кнопки ◄/►. Используйте кнопки ◄/▲/▼/► для выбора пунктов подменю и ENTER для их активации. наСтРойКи СиСтЕмы (SYSTEM)тв система (T...
Страница 14 - ничений нужно ввести пароль.
14 Пароль (Password) Пароль по умолчанию: 0000 ограничения (Rating) Шкала ограничений: 1 - наиболь - шие ограничения; 8 - минималь - ные ограничения. Изначально: 8 Замечание: Для изменения огра- ничений нужно ввести пароль. изначальные настройки (Default) После активации пункта “Изна - чальные настр...
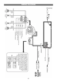
Страница 18 - используя стандартный разъем; ISO штЕКЕРы
18 используя стандартный разъем 1. Если в машине установлен стандартный соедини - тельный кабель, подключите его, как показано спра - ва. 2. При нестандартном соединении тщательно про - верьте провода. Отрежьте штекер и соедините провода, как описано в таблице, приведенной ниже. ПОЛОЖЕНИЕ ФУНКЦИЯ СО...
Страница 19 - УСтановКа ПРиБоРа
19 Процедура установки Тщательно произведите соединение. Проверьте соединения перед использованием. Перезапуск (Reset) Нажмите “ ”, чтобы открыть па - нель. Затем нажмите “Переза - пуск” (Reset), чтобы запустить в действие заводские установки. место установки Магнитола может устанавливать - ся в отк...
Страница 20 - СъЕмнаЯ ПанЕлЬ
20 Магнитола оснащена съемной панелью. Панель можно снять и взять с собой. Снятие панели 1. Отключите питание. 2. Нажмите “ ”, чтобы открыть панель. 3. Держа панель под углом, выньте ее. 4. Положите панель в футляр и возьмите с собой. Установка панели 1. Держа панель лицевой стороной к себе, вставьт...
Страница 21 - УСтРанЕниЕ нЕПолаДоК
21 В случае возникновения какой-либо неисправности немедленно отключите магнитолу. Не используйте ее, пока не проконсультируетесь с сервисным центром. Не пытайтесь починить ее самостоятельно - это опасно. ПРОБЛЕМА ПРИЧИНА РЕШЕНИЕ Прибор не включается или нет звука Выключен двигатель Включите двигате...
Страница 22 - СПЕЦиФиКаЦиЯ
ОСНОВНОЕ Питание 12 В Максимальная мощность 50 Вт x 4 канала Номинальная мощность 25 Вт х 4 канала (4Ω 10% T.H.D.) Сопротивление динамиков 4-8 Ом Напряжение на выходе 2.0 В Предохранитель 15 A Размеры 178 x 50 x 166 мм Вес 1,7 кг FM РАДИО (СТЕРЕО) Диапазон частот 87.5-108.0 МГц (Европа)65.0-74.0 МГц...
Страница 23 - КомПлЕКтаЦиЯ
Установочное крепление 1 Винты M5x6 мм 4 M4x6 мм 4 Крепежный болт (50 мм) 1 Проводной соединитель 1 Чехол для съемной панели 1 Пластина окантовки 1 Т-образный ключ 2 Руководство пользователя 1 Резиновая прокладка 1 Пульт дистанционного управления 1 По истечении срока службы товара, необходимо обрати...