Страница 2 - electrolux; Содержание; Описание водонагревателя
2 electrolux Инструкция по эксплуатации газового проточного водонагревателя серии GWH Добро пожаловать в мир Electrolux Вы выбрали первоклассный продукт от Electrolux, который, мы надеемся, доставит Вам много радости в будущем. Electrolux стремится предложить как можно более широкий ассортимент каче...
Страница 3 - водонагреватели; Введение; Замена батареек; Эксплуатация; Получение горячей воды
водонагреватели 3 Введение Все опе ра ции по ус та нов ке и под клю че нию га зо вых про точ ных во до на гре ва те лей долж-ны вы пол нять ся спе ци а ли с та ми (ор га ни за-ци я ми), име ю щи ми со от вет ству ю щие ли цен-зии Гос гор тех над зо ра в РФ или другой уполномоченной организации в стр...
Страница 4 - Регулировка температуры воды; Выключение; Защита от замерзания
4 electrolux Уменьшая производительность водонагрева-теля и регулируя ее в соответствии с уровнем, который Вам необходим фактически, Вы смо-жете снизить температуру воды на выходе и сэкономить энергию.Для снижения температуры поверните регуля-тор мощности по часовой стрелке. Это – эко-номичная устан...
Страница 5 - Предотвращение образования накипи; • Ни в коем случае не вносите никаких
водонагреватели 5 Предотвращение образования накипи Если водонагреватель подключен к водопроводу с очень жесткой водой, то со временем может наблюдаться снижение температуры горячей воды или снижение подачи горячей воды. Это говорит об образовании накипи в теплообмен-нике. Для того чтобы уменьшить в...
Страница 6 - Размеры водонагревателя
6 electrolux Описание водонагревателя Размеры водонагревателя A B C D E F G H I J K L 310 578 228 240 112 (внутр.) 102 69,4 21 50 133,8 210 115,6 Подключение горячей воды должно выпол-няться с помощью гибкой подводки.
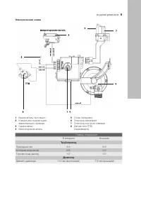
Страница 8 - Схема устройства водонагревателя
8 electrolux Схема устройства водонагревателя 1 Штуцер для подвода газа 2 Фильтр подаваемого газа 3 Штуцер для измерения давления 4 Штуцер для подвода воды 5 Фильтр для воды 6 Сливная заглушка 7 Нижний корпус водяного вентиля 8 Регулятор расхода газа (регулятор мощности) 9 Регулятор температуры воды...
Страница 9 - Электрическая схема; Размер соединения; Трубопровод
водонагреватели 9 Электрическая схема 1 Выключатель “вкл./выкл.“ 2 Клемма для подключения заземляющего провода 3 Сервоклапан 4 Микропереключатель 5 Отсек батарейки 6 Электрод зажигания 7 Электрод контроля пламени 8 Датчик тяги (ТТВ) (термозащита) Размер соединения В аппарате Внешние Трубопровод Прир...
Страница 10 - Монтаж водонагревателя
10 electrolux Монтаж водонагревателя Водонагреватель должен устанавливаться только в помещениях с хорошей вентиляцией.Проверьте, что параметры газопровода и водопровода соответствуют техническим характеристикам водонагревателя.Обратите особое внимание на соответствие значениям давления в газопроводе...
Страница 12 - Утилизация; Серификат соответствия:; Водонагреватель проточный газовый; Технические характеристики
12 electrolux Утилизация По окон ча нии сро ка служ бы водонагреватель сле ду ет ути ли зи ро вать. По дроб ную ин фор ма-цию по ути ли за ции водонагревателя Вы мо же-те по лу чить у пред ста ви те ля ме ст но го ор га на вла с ти. Сертификация Товар сертифицирован на территории России, соответству...
Страница 14 - Га ран тий ный та лон
Га ран тий ный та лон Настоящий документ не ограничивает определенные законом права потребителей, но дополняет и уточняет ого-воренные законом обязательства, предполагающие согла-шение сторон либо договор. Правильное заполнение гарантийного талона Внимательно ознакомьтесь с гарантийным талоном и про...
Страница 15 - ТАЛОН НА ГАРАНТИЙНОЕ ОБСЛУЖИВАНИЕ/
параметрам и безопасности) электрической, газовой или водопровод-ной сети и прочих внешних сетей; • дефектов, возникших вследствие попадания внутрь изделия посторонних предметов, жидкостей, насекомых и продуктов их жизне-деятельности, и т.д. • неправильного хранения изделия;• необходимости замены ра...