Страница 38 - ПОДДЕРЖКА ПОТРЕБИТЕЛЕЙ И СЕРВИСНОЕ ОБСЛУЖИВАНИЕ
СОДЕРЖАНИЕ 1. СВЕДЕНИЯ ПО ТЕХНИКЕ БЕЗОПАСНОСТИ . . . . . . . . . . . . . . . . . . . . . . . . . . . . . . . . . . . . . . . . . . . . . . 392. УКАЗАНИЯ ПО БЕЗОПАСНОСТИ . . . . . . . . . . . . . . . . . . . . . . . . . . . . . . . . . . . . . . . . . . . . . . . . . . . . . . . 403. ОПИСАНИЕ ИЗДЕЛИЯ...
Страница 40 - УКАЗАНИЯ ПО БЕЗОПАСНОСТИ
• Не эксплуатируйте данный прибор с помощью внешнего таймера или отдельной системы дистанционного управле‐ ния. • Оставление на варочной панели продуктов, готовящихся на жире или масле, может представлять опасность и привести к пожару. • Ни в коем случае не пытайтесь залить пламя водой; вместо этого...
Страница 41 - Подключение к электросети
вызванные отсутствием достаточного для вентиляции пространства. • Дно прибора сильно нагревается. Рекомен‐ дуется разместить под прибором пожаро‐ безопасную разделительную прокладку для предотвращения доступа прибору снизу. Подключение к электросети ВНИМАНИЕ! Существует риск пожара и пораже‐ ния эле...
Страница 43 - Функциональные элементы панели управления
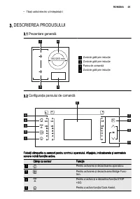
3. ОПИСАНИЕ ИЗДЕЛИЯ 3.1 Общий обзор 180/280 mm 1 2 4 3 1 Индукционная конфорка 2 Индукционная конфорка 3 Панель управления 4 Индукционная конфорка 3.2 Функциональные элементы панели управления 6 48 10 1 2 3 4 5 7 9 Управление прибором осуществляется с помощью сенсорных полей. Работа функций подтверж...
Страница 45 - ЕЖЕДНЕВНОЕ ИСПОЛЬЗОВАНИЕ; Автоматическое отключение
Конфорка на дисплее Описание OptiHeat Control. Конфорка выключена. Размер и цвета от‐ ражают уровень остаточного тепла:• Большой размер, красный цвет – приготовление еще продолжается. • Большой оранжевый — режим поддержания тепла• Маленький желтый — конфорка еще горячая• Маленький серый — конфорка х...
Страница 50 - Примеры приготовления
сигнал таймера обратного отсчета. Время работы конфорки при этом за‐ висит от выбранного уровня мощно‐ сти и времени приготовления. 5.6 Примеры приготовления Соотношение установки мощности и энерго‐ потребления конфорки не является линей‐ ным. При увеличении мощности нагрева потребле‐ ние конфоркой ...
Страница 52 - ПОИСК И УСТРАНЕНИЕ НЕИСПРАВНОСТЕЙ
Удаление загрязнений:• – Удаляйте немедленно: расплавленную пластмассу, полиэтиленовую пленку и пищевые продукты, содержащие сахар. Иначе загрязнения могут привести к по‐ вреждению прибора. – Удаление загрязнений производите только после того, как прибор полностью остынет: известковые пятна, водные ...
Страница 54 - Встраиваемые приборы
Неисправность Возможная причина Решение Горит символ E4. Произошла ошибка в рабо‐ те прибора в результате вы‐ кипания воды в посуде. Сработала защита от пере‐ грева конфорок и система автоматического отключе‐ ния. Выключите прибор. Сними‐ те горячую посуду. Пример‐ но через 30 секунд снова включите ...
Страница 56 - ТЕХНИЧЕСКИЕ ДАННЫЕ
В случае использования защитного короба(дополнительная принадлежность 1) ), фрон‐ тальный 2-мм вентиляционный зазор и защи‐ та пола под прибором не являются обяза‐ тельными. В случае установки прибора над духовым шкафом использование защитного экрана не‐ возможно. 1) В ряде стран защитный короб може...