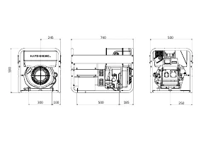
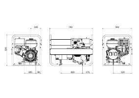
Страница 15 - Правила безопасности; лива используйте воронку.; Конструкция и принцип действия электроагрегата; Бо со г о; Общая компоновка агрегата; Регулировка напряжения; Стандартная комплектация; Доолл длос
15 Правила безопасности * Электроагрегат поставляется в состоянии, соответствующем требованиям техники безопасности. Не снимайте никакие защитные устройства. Не снимайте никакие кожухи элек- трического оборудования. Не применяйте неоригинальные комплектующие изделия. * Отработавшие газы ядовиты! Не ...
Страница 16 - Двигатель; Четырехтактный; дл; Электрическая часть
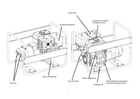
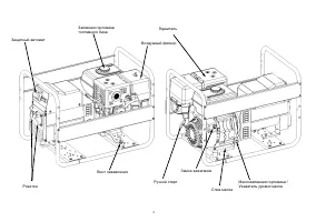
16 2. Двигатель E 4401, E 5400, E 7400 Четырехтактный одо цилиндровый двигатель с воздушным охлаждением, с клоо %лд 25° , соло! кл о ( OHV) и горизонтальным коленчатым валом. о с " с ооо с боко соло! кл о 50% # сод сл 20% # сод ол . ри пониженном уровне масла редусмотрена б локиров- ка зажигания...
Страница 17 - дБ
17 действовать средства защиты этой сети или следует создать новые эффективные средства защиты. Если для имеющегося защитного автомата потребителя требуемый ток короткогозамыкания генератора недостаточен или провод имеет сопротивление более 1,5 Ом, то следует предусмотреть средство защиты (например,...
Страница 18 - дл о
18 8. Проверка перед пуском 8.1 Уровень масла в двигателе 1. Снять заглушку и чисто вытереть указатель уровня масла. 2. Вставить указатель уровня масла в заливную горловину, но не ввертывать.3. При низком уровне масла рекомендуется долить масло до края заливной горловины. Следует применять масло для...
Страница 19 - Пуск двигателя; Внимание! Не пользуйтесь; слок
19 9. Пуск двигателя 9.1 . г со ( олко дл о P2401D/P4401D/P4401DE/P6400D/P6400DE) ус о оло! С: . ободос слоку ( олко дл о H9000/H9000E/H13000E/S10000E), соосо г слок сду ло ( олко дл о E4401/E6400/ E7400/S6400/S6400E/S6401/S6401E). Внимание! Не пользуйтесь заслонкой, если двигатель горячий или темпе...
Страница 20 - Электрический пус; дение зубчатой передачи!; Во время работы двигателя; При прогреве двигателя откры; Выключение двигател; Со
20 3. Электрический пус к ( H9000E/H13000E/S10000E ): * Для пуска электростартером повернуть замок зажигания в положение «Start».* После того как двигатель запустится, отпустить ключ.* Ключ должен самостоятельно переместиться в положение «ON/Ein» (Вкл.) и при работе оставаться в этом положении. Вним...
Страница 21 - Дополнительное оборудование по заказу
21 Клавиша для перемещения вверх Дисплей Клавиша для перемещения вниз 12. Дополнительное оборудование по заказу 1 12 2 .3 Универсальный встроенный контроллер UBC 400 (опция) Обеспечивает отображение 20 текущих параметров электроагрегата, которые ранеене отображались.Благодаря применению микропроцесс...
Страница 22 - жаются важнейшие показатели системы
22 Pfe ереход к следующему пункту меню осущес- твляется нажатием клавиши «^» при нажатойклавише «v» Показания автоматически меняютсяпри переходе на зимнее/летнее вре-мя. Если необходимо изменить пока-зания, можно с помощью клавиши «v»перейти к нужным счетчикам времени = еню STATISTIK (Статистика); з...
Страница 23 - до л
23 12.2 Аварийно-автоматическое устройство BLC 100 (опция)12.2.1 Правила безопасности Монтаж следует поручать только подготовленным специалистам-электрикам. Не приступайте к работе с данным оборудованием без тщательного изучения всей прилагаемой к нему до-кументации. Данные правила безопасности и др...
Страница 24 - Подключение электроагрегата с BLC 100
24 Внимание! Ненадлежащее обращение с данными устройствами и несоблюдение предупреждений может вызвать материальный ущерб, телесные повреждения, поражение электротоком или дажесмерть. Опасные перемещения! Вследствие непредусмотренного перемещения элементов двигателей возникают опасность для жизни, в...
Страница 25 - Светодиод «Netzbetrieb» (Сет
25 12.2.5 Режимы работы BLC 100 Внимание! Включите блок, причем оба тумблера (ATS и SERVICE) должны быть в по-ложении «OFF» (Выкл.). После включения дождитесь завершения встроенного контро-ля BLC (около 10 с). После того как загорится светодиод «Netzbetrieb» (Сеть), можно спомощью тумблеров выбрать ...
Страница 26 - С д ол б к осусу о ! дооллого олого б к .
26 12.3 Контроль сопротивления изоляции согласно GW 308 (опция) Контроль сопротивления изоляции в сочетании со стандартной защитной мерой «защитное разделение» является дополнительной защитой в IT-сети. Поскольку первое замыкание накорпус или дефект изоляции не носят разрушительного характера и пото...
Страница 28 - Техническое обслуживание; Перед началом работ по ТО двигатель следует остановить.; Электрические компоненты; Проверка уровня масла; олко дл о; Сл сл; фл
28 14. Техническое обслуживание Перед началом работ по ТО двигатель следует остановить. 14.1 Электрические компоненты Генератор не требует технического обслуживания. Необходимо лишь пери-одически очищать корпус от пыли, чтобы не ухудшить условия охлажде-ния. 14.2 Двигатель Винт регулировки качества ...
Страница 29 - Дл о; Чистка и замена воздушного фильтра; — Осторожно вынуть патрон.
14.2.3 Проверка и замена свечи зажигания Дл о H9000/H9000E/H13000E/E4401/E5400/E7400/S6400/S6400E/S6401/S6401E/S1000E) Если перед этим электроагрегат работал, то его глушитель сильно нагрет. Опасность ожога. — Снять со свечи провод зажигания свечи.— Вывернуть свечу с помощью свечного ключа.— При нео...
Страница 30 - оук ку оо до уо; Замена генератора
30 * Вывернуть 4 винта с шестигранными головками (момент затяжки 7,3 Нм), снять кожух вентилятора.* Ослабить зажим, снять крыльчатку вентилятора.* Отвернуть винты, снять подшипниковый фланец.* Снять статор. * аблокировать двигатель от непредусмотренного проворачивания и вывернуть ротор, зажав его тр...