Eisemann P 4401 DE - инструкции и руководства
Генератор Eisemann P 4401 DE - инструкции пользователя по применению, эксплуатации и установке на русском языке читайте онлайн в формате pdf
Инструкции:
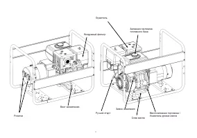
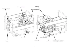
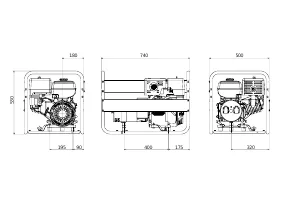
Инструкция по эксплуатации Eisemann P 4401 DE
1
2
3
4
5
6
7
8
9
10
11
12
13
14
15
16
17
18
19
20
21
22
23
24
25
26
27
28
29
30
Eisemann Генераторы Инструкции
-
Eisemann P 7401
Инструкция по эксплуатации
-
Eisemann P 4401 E в контейнере с АВР
Инструкция по эксплуатации
-
Eisemann P 4401 DE с АВР
Инструкция по эксплуатации
-
Eisemann P 4401 DE в контейнере с АВР
Инструкция по эксплуатации
-
Eisemann P 4401 DE в контейнере
Инструкция по эксплуатации
-
Eisemann P 2401 D
Инструкция по эксплуатации
-
Eisemann H 7400 E в контейнере с АВР
Инструкция по эксплуатации
-
Eisemann H 5400E в контейнере с АВР
Инструкция по эксплуатации
-
Eisemann H 13000 E в контейнере с АВР
Инструкция по эксплуатации
-
Eisemann H 13000 E в контейнере
Инструкция по эксплуатации
-
Eisemann H 13000 E
Инструкция по эксплуатации
-
Eisemann E 7400
Инструкция по эксплуатации
-
Eisemann E 5400
Инструкция по эксплуатации