Страница 14 - Pусский; ОБЩИЕ ПРАВИЛА ТЕХНИКИ; СОХРАНИТЕ ВСЕ ИНСТРУКЦИИ ДЛЯ; Декларация о соответствии нормам ЕС; Директива по механическому оборудованию; Технические характеристики
12 Pусский ОБЩИЕ ПРАВИЛА ТЕХНИКИ БЕЗОПАСНОСТИ ПРИ ИСПОЛЬЗОВАНИИ ЭЛЕКТРОИНСТРУМЕНТОВ ВНИМАНИЕ: Прочтите все правила техники безопасности, инструкции, иллюстрации и спецификации по данному электроинструменту. Несоблюдение всех приведенных ниже инструкций может стать причиной поражения электрическим то...
Страница 15 - ) Эксплуатация электроинструмента и уход; Батареи
13 Pусский Средства защиты, такие как пылезащитная маска, обувь на нескользящей подошве, каска и защитные наушники, используемые при работе, уменьшают риск получения травм. c ) Примите меры для предотвращения случайного включения. Перед тем как подключить электроинструмент к сети и/или аккумуляторно...
Страница 16 - ) Сервисное обслуживание
14 Pусский b ) Используйте для электроинструмента только батареи указанного типа. Использование других аккумуляторных батарей может стать причиной травмы и пожара. c ) Оберегайте батарею от попадания в нее скрепок, монет, ключей, гвоздей, болтов или других мелких металлических предметов, которые мог...
Страница 17 - Зарядные устройства; Электробезопасность; Использование удлинительного кабеля
15 Pусский в зарядное устройство. Это может привести к поражению электрическим током. ВНИМАНИЕ: Рекомендуется использовать устройство защитного отключения (УЗО) с током утечки до 30 мA. ВНИМАНИЕ: Опасность ожога. Во избежание травм, следует использовать только аккумуляторные батареи производства D e...
Страница 18 - Температурная задержка; Крепление на стену; Работа с зарядным устройством
16 Pусский Индикаторы зарядки F Зарядка I G Полностью заряжен J H Температурная задержка* K * В это время красный индикатор продолжит мигать, а когда начнется зарядка, загорится желтый. После того, как батарея достигнет рабочей температуры, желтый индикатор погаснет, и зарядка продолжится. Зарядное(...
Страница 19 - Транспортировка; Аккумуляторные батареи; ВНИМАТЕЛЬНО ПРОЧТИТЕ ВСЕ ИНСТРУКЦИИ; Инструкции по очистке зарядного устройства
17 Pусский необходимо промыть открытые глаза проточной водой в течение 15 минут или до тех пор, пока не пройдет раздражение. При необходимости обращения к врачу, может пригодиться следующая информация: электролит представляет собой смесь жидких органических углекислых и литиевых солей. • При вскрыти...
Страница 20 - Комплектация поставки; Тип батареи; Рекомендации по хранению
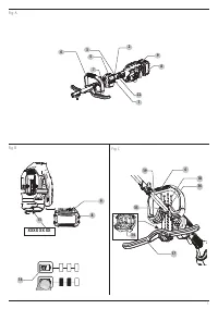
18 Pусский Комплектация поставки В упаковку входят:1 Силовой привод1 Дополнительная рукоятка4 Винта дополнительной рукоятки4 Шайбы дополнительной рукоятки1 Барьер для рукоятки1 Наплечный ремень1 Шестигранный ключ1 Зарядное устройство (X1 ‑модели)1 Ионно‑литиевая аккумуляторная батарея (X1 ‑модели)1 ...
Страница 21 - Установка батареи в рукоятку инструмента; СБОРКА И РЕГУЛИРОВКА; Назначение; НЕ исПОЛЬЗуйТЕ; Маркировка инструмента
19 Pусский Установка и извлечение аккумуляторной батареи из инструмента (Рис. B) ПРиМЕЧАНиЕ: Убедитесь, что аккумуляторная батарея 1 полностью заряжена. Установка батареи в рукоятку инструмента 1. Совместите аккумуляторную батарею 1 ) с выемкой на внутренней стороне рукоятки (Рис. B). 2. Задвинь...
Страница 23 - Защита окружающей среды; Чтобы продлить рабочий цикл
21 Pусский Защита окружающей среды w Отдельная утилизация. Изделия и аккумуляторные батареи с данным символом на маркировке запрещается утилизировать с обычными бытовыми отходами. Изделия и аккумуляторные батареи содержат материалы, которые могут быть извлечены или переработаны, снижая потребность в...
Страница 24 - Аккумуляторная батарея
22 Pусский Аккумуляторная батарея Данную аккумуляторную батарею с длительным сроком эксплуатации необходимо перезаряжать, когда она перестает обеспечивать питание, необходимое для выполнения определенных работ. По окончании срока эксплуатации ее следует утилизировать, соблюдая при этом необходимые м...