Страница 3 - ɲʥʩʜʢʝʟʛʡʥʩʥʦʢʟʘʤjʠ; СЕРИЙНЫЙ; Opus Business Park Hitsaajankatu 24; Покупка; Запчасти
ɲʥʩʜʢʝʟʛʡʥʩʥʦʢʟʘʤʲʠ В конструкцию оборудования могут быть внесены изменения без уведомления СЕРИЙНЫЙ НОМЕР : $PSQPSBUF PGGJ D F Opus Business Park Hitsaajankatu 24 FI-00811 Helsinki, Finland * Внимание: ʞʝʤʗʦʖʜʛʣʞʛʠʤʨʡʖʘʧʗʤʦʛʢʤʜʛʨʤʨʡʞʭʖʨʲʧʵʤʨʥʤʧʨʖʘʡʛʣʣʤʙʤɸʖʢʠʤʨʡʖʘʚʛʨʖʡʵʫʘʘʞʚʩʥʤʧʨʤʵʣʣʤʟʦʖʗʤʨʱ ʥʦʤʞʝʘʤ...
Страница 5 - ʥʛʜʧʝʖʤʟʜ
ʇ ʥʛʜʧʝʖʤʟʜ Комплектность . . . . . . . . . . . . . . . . . . . . . . . . . . . . . . . . . . . . . . . . . . . . . . . . . . . . . . . . . . . . . . . . . . . . . . . . . . . . . Меры предосторожности . . . . . . . . . . . . . . . . . . . . . . . . . . . . . . . . . . . . . . . . . . . . . . . . . ...
Страница 6 - ʠʧ; ʧʤʡɻʦʠʖ; ʥʤʧʨʖʘʯʞʠʩ; DanVex; ʜʧjʦʧʜʛʥʨʩʥʧʥʝʤʥʨʩʟ; ʄʗʯʞʛʦʛʠʤʢʛʣʚʖʬʞʞ
ʅ ʧʟʤʜʦʧʖʘʟʢʳʤʥʣ ʣʥʤʩʖʝʜʴ ʠʧ ʦʢʪʖʩʖʭʟʟʟʢʟʥʩʨʪʩʨʩʘʟʟʛʥ ʠ ʪʣʜʤʩʖʢʳʤʥʦʥʛʩʘʜʧʝʛʜʤʤʥʙʥʦʧʥʫʜʨ ʧ ʟʥʤʖʢʳʤʥʙʥ ʣʥʤʩʖʝʖ ʟʥ ʗ ʨʢʪʝʟʘʖʤʟʶʖʘʩʥʧʟʞ ʤ ʘʖʤʤʲʣʛʟʢʜʧʥʣ ʙʖʧʖʤʩʟʠʤʲʜʥ ʗ ʶʞʖʩʜʢʳʨʩʘʖʩʜʧʶʵʩʨʟʢʪ Данная Инструкция является НЕОТЪЕМЛЕМОЙ частью котла . Инструкция должна ВСЕГДА на - ходиться рядом с котлом , либо...
Страница 7 - ʘʤʝʢʤʜʣʖ ʥʩʡjʧʖʬʞɻ ʥʡʖʢʛʣʞ
ɸʧʡʩʭʖʛʥʤʘʦʛʜʚʛʣʞʵʞʡʞʩʨʛʦʞʦʩʠʤʘʤʚʧʨʘʖʤʗʦʖʨʞʨʛʧʲʠʚʞʡʛʦʩ %BO7FYʘʘʖʮʛʢʦʛʙʞʤʣʛʚʡʵʥʤʡʩʭʛʣʞʵʚʦʩʙʤʙʤʳʠʝʛʢʥʡʵʦʖ ʇʨʤʞʢʤʧʨʲʚʤʥʤʡʣʞʨʛʡʲʣʤʙʤʳʠʝʛʢʥʡʵʦʖʤʥʦʛʚʛʡʵʛʨʧʵʧʤʙʡʖʧʣʤ ʥʦʖʟʧʡʞʧʨʩ В любой камере сгорания ( топке ), предназначенной для сжигания отработанного масла , газообразные продукты сгорания не могут выхо...
Страница 8 - ɽʖʥʦʛ; ʝʖʦʛ; ʤʜʤʙʖ; ʄʧʣʤʘʣɦʛʥʦʖʘʞʡʖʗʛʝʤʥʖʧʣʤʧʨʞ; ʝʖʦʛ
Напоминаем , что эксплуатация изделий , в которых применяется жидкое топливо , электроэнер - гия и вода , требует соблюдения некоторых основных правил безопасности . ɽʖʥʦʛ ʯ ʜʤʖ эксплуатация водогрейного котла DanVex детьми и инвалидами без посторонней помощи . ʘʖʝʤʥ При обнаружении утечки топлива п...
Страница 9 - ʄʥʞʧ; ʧʟʨʩʧʜʗʥʘʖʤʟʁʡʪʨʩʖʤʥʘʡʜ
ʇ ʘʜʛʜʤʟʶʥ ʠ ʥʩʢʜ ʄʥʞʧ ʖʤʟʜ Семейство стальных котлов марки DanVex представляет собой водотрубные автоматические герметизированные котлы , присоединяемые к вытяжной трубе , снабженные блочной горелкой , ис - пользующей жидкое топливо , имеющие горизонтальную инверсионную камеру сгорания и пучок конц...
Страница 11 - ɹʖʗʖʦʞʨʣɦʛʦʖʝʢʛʦɦʠʤʨʡʤʘ; Модель; ʧʟʨʙʖʗʖʧʟʩjʡʥʩʢʥʘ; ʅʤʚʖʭʖ
ɹʖʗʖʦʞʨʣʱʛʦʖʝʢʛʦʱʠʤʨʡʤʘ Модель котла В -30 В -60 В -100 В -150 В -220 L, мм 0 1 0 13 0 1 0 2000 H, мм 690 690 9 0 9 9 0 W, мм 6 0 6 0 8 0 8 0 8 0 D, мм 200 200 250 250 300 d2, мм 42 42 60 60 76 d1, мм 42 42 60 60 76 ʧʟʨʙʖʗʖʧʟʩʲʡʥʩʢʥʘ ɸ ɸ ɸ ɸ ɸ ʅʤʚʖʭʖ ʄʗʦʖʨʠʖ ʅʤʚʖʭʖ ʄʗʦʖʨʠʖ https://danvex-rus.ru
Страница 12 - ʉʧʨʖʣʤʘʠʖʠʤʨʡʖ; ʘʤʟʣʖʤʟʜ
1 ʉʧʨʖʣʤʘʠʖʠʤʨʡʖ Минимальные размеры , указанные на приведенном ниже чертеже , должны соблюдаться для обеспечения достаточного пространства для доступа к котлу . ʘʤʟʣʖʤʟʜ Д ля того , чтобы избежать проблем , обусловленных слишком низкими температура - ми воздуха для горения ( опасность замерзания во...
Страница 13 - ɹʞʚʦʖʘʡʞʭʛʧʠʞʛʧʤʛʚʞʣʛʣʞɻ; ʘʖʝʤʥ; ʅʦʞʢʛʦʧʫʛʢɦʧʞʧʨʛʢɦʤʨʤʥʡʛʣʞɻ
1 ɹʞʚʦʖʘʡʞʭʛʧʠʞʛʧʤʛʚʞʣʛʣʞʵ Установка должна осуществляться в соответствии с действующими СНиП . ʘʖʝʤʥ Воизбежание повреждения , для любой из частей системы отопления с закрытым контуром , необходимо использовать трубы , изготовленные из непроницаемого для кислорода материала . Для решений по бытовом...
Страница 15 - jʣʥʬʥʛʛʥʢʝʜʤʗjʩrʣʖʡʨʟʣʖʢrʤʥʘʜʧʩʟʡʖʢrʤjʣ; ʧʟʨ; ʃʛ ʞʧʥʤʡjʝʩʟʨʛ ʘ ʠʤʣʧʨʦʩʠʬʞʞ ʚɦʢʤʫʤʚʖ
1 ʅʦʞʧʤʛʚʞʣʛʣʞʛʠʘʱʨʵʜʣʤʟʨʦʩʗʛ ʚʱʢʤʫʤʚʩ При проектировании и строительстве дымоходов для обеспечения достаточной тяги и отсутствия вероят - ности возникновения обратной тяги , целесообразно выводить верхний срез дымохода выше конька крыши . При проектировании дымохода придерживайтесь следующих требов...
Страница 16 - ʚʤʡʜʣʤ
1 ʧʟʨ ʅ ʧʟʣʜʧʪʨʩʖʤʥʘʡʟʛʲʣʥʬʥʛʖʮʜʧʜʞʨʩʜʤʪ внешним слоем из нержавею - щей или оцинкованной стали . Не используйте однослойный компонент дымохода при установке внешней части ды - мохода . Однослойный компо - нент дымохода , выходящий на улицу , позволяет охлаждаться дымовым газам , что приводит к выпа...
Страница 17 - ʅʉʁʒʈʉʅʆɶɸʁɻʃɾʕ
1 Распакуйте пульт управления котла DanVex. Проверьте комплектность , внешний вид . Рис . 1 П ульт управления котлом . 4 3 6 5 2 1 Пульт включение горелки. 6. ɮʑʞʡʑʚʟʖʚʜʑʨʚʚʓʜʝʰʩʗʟʚʱ температу теплоносителя в котле. ры при достижении предельной релку го 5"mɢʓʑʢʚʛʟʭʛʤʗʢʞʠʣʤʑʤmʠʤʜʝʰʩʑʗʤ 5. отоплен...
Страница 19 - ПИСАНИЕ ПУЛЬТА УПРАВЛЕНИЯ; Рис
ɪʑʡʢʗʫʗʟʠʤʱʟʥʤʮʢʓʑʤʮʣʜʢʥʩʚʓʑʤʮʯʝʗʜʤʢʠʡʢʠʓʠʖʑʓʭʧʠʖʱʫʚʗʚʙʡʥʝʮʤʑʥʡʢʑʓʝʗʟʚʱʖʑʘʗʗʣʝʚʠʤʜʝʰʩʗʟʠʯʝʗʜʤʢʠʡʚʤʑʟʚʗ ɪʑʡʢʗʫʗʟʠʢʑʙʒʢʑʣʭʓʑʤʮʚʝʚʠʣʤʑʓʝʱʤʮʓʖʠʣʤʥʡʟʭʧʖʝʱʖʗʤʗʛʞʗʣʤʑʧʥʡʑʜʠʓʠʩʟʭʛʞʑʤʗʢʚʑʝ ʜʑʢʤʠʟʘʗʝʗʙʟʭʗʣʜʠʒʭʡʝʑʣʤʚʜʠʓʭʗʞʗʪʜʚʚʡʢʠʩʗʗʡʠʣʜʠʝʮʜʥʠʟʱʓʝʱʗʤʣʱʡʠʤʗʟʨʚʑʝʮʟʭʞʚʣʤʠʩʟʚʜʠʞʠʡʑʣʟʠʣʤʚ О ПИСАНИЕ ПУЛЬТА УПРАВЛЕНИ...
Страница 20 - ПРИНЦИП РАБОТЫ; ʡʢ; УСТАНОВКА ПУЛЬТА
ПРИНЦИП РАБОТЫ подает . Включается о Одновременно При установленной При происходит теплоносителя изменена, С. 15 более и 5 менее устанавливать ее рекомендуется не но быть может температур Дельта в п ʡʢ еделах С ( ʖ ельта =10 о С) от установленного значения. температура - поддерживает ся образом Таки...
Страница 22 - Общие; Неисправность; Панель
ПОИСК И УСТРАНЕНИЕ НЕИСПРАВНОСТЕЙ Общие характерные неисправности : Неисправность Причина Действие ʔʠʢʗʝʜʑ ʟʗ ʓʜʝʰʩʑʗʤʣʱ ʟʑ ʤʗʢʞʠʜʠʟʤʢʠʝʗʢʗ ʠʤʣʥʤʣʤʓʥʗʤ ʚʟʖʚʜʑʨʚʱ ʟʗʡʠʖʑʗʤʣʱʡʚʤʑʟʚʗʟʑʡʥʝʮʤ ʚʝʚʤʗʢʞʠʜʠʟʤʢʟʗʚʣʡʢʑʓʗʟ ʤʗʢʞʠʜʠʟʤʢʠʝʝʗʢ проверить подачу питания / заменить термоконтрол ʡ ер ʡʥʝʮʤ ʓʜʝʰʩʑʗʤʣʱ ʟʠ...
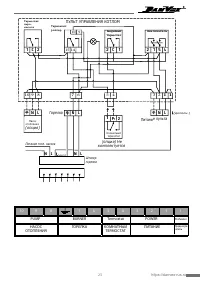
Страница 23 - ǷǻdzȄǺ ǻǷǸǨǪdzǭǵǰȇ DzǶǺdzǶǴ; ǫȖȘȍȓȒȈ
1 1 POWER Termostat BURNER PUMP ПИТАНИЕ КОМНАТНЫЙ ТЕРМОСТАТ ГОРЕЛКА НАСОС ОТОПЛЕНИЯ 4 4 4 5 55 111 2 2 2 1 01 11 2 2 2 2 P P P 111 LLL L N N N N LLL N N N 111 Ñ ÑÑ 2 2 2 DzȖȔȕȈȚȕȣȑ ȚȍȘȔȖșȚȈȚ ǵȈșȖș ȖȚȖȗȓȍȕȐȧ 2 2 2 C CC 2C 111 1 ǷǻdzȄǺ ǻǷǸǨǪdzǭǵǰȇ DzǶǺdzǶǴ LLL N N N (опция) Не комплектуется (опция) ǷȐȚȈȕȐȍ...
Страница 24 - ʉʧʨʖʣʤʘʠʖʙʤʦʛʡʠʞ; абель питания к разъему горелки
ʉʧʨʖʣʤʘʠʖʙʤʦʛʡʠʞ Распакуйте горелку DanVex, извлеките первичный подогреватель топлива , коробку с топливным насосом и топливным фильтром . Проверьте комплектность : - горелка в сборе ; - топливный насос , манометр , вакуумметр ; - топливный фильтр ; - топливозаборная арматура , 4 конусные гайки . См...
Страница 25 - ɲʢʜʣʣjʩʥʦʢʟʘʤʥʙʥʤʖʨʥʨʖ; ʓʁɻʀʈʆʄʅʄɺʀʁʔʍɻʃɾɻ
ʘʤʟʣʖʤʟʜ Обязательно используйте автоматиче - ский выключатель на 1 А и медный провод с сечением провода не менее 2,5 мм² . Установите горелку на переднюю дверцу котла . Установите пульт управления на котел . Установите все термобаллоны приборов в глухой стакан на котле . Подведите и подключите ввод...
Страница 29 - ɽʖʥʩʧʠʙʤʦʛʡʠʞʞʥʤʦɻʚʤʠʛʁʦʖʗʤʨɦ; ʃʖʨʛʦʢʤʠʤʣʨʦʤʡʡʛʦʛʥʦʛʚʩʧʨʖʣʤʘʡʛʣʖʨʛʢʥʛʦʖʨʩʦʖ; ʅʤʧʡʛ ʤʨʠʦɦʨʞɻ ʠʡʖʥʖʣʖ ʥʤʚʖʭʞ ʧʜʖʨʤʙʤ ʘʤʝʚʩʫʖ; (Избыток вторичного воздуха затрудняет воспламенение; ɲʥʣʦʧʜʨʨʥʧ; ʅʛʦʛʚʝʖʥʩʧʠʤʢʙʤʦʛʡʠʞʩʧʨʖʣʤʘʞʨʛʝʖʧʡʤʣʠʩʥʤʚʖʭʞ
2 ɽʖʥʩʧʠʙʤʦʛʡʠʞʞʥʤʦʵʚʤʠʛʶʦʖʗʤʨʱ Перед запуском горелки проверьте : Соответствие электроподключений указанным в инструкц - ии . Наличие теплоносителя и циркуляции его в котле . Наличие напряжения (220 В ) на пульте управления котла . Работоспособность компрессора . Все трубопроводы топливные и трубку...
Страница 30 - ʘʛʣʨʞʡɻʨʤʦ; ʨʜʡ
ʅʤ ʧʶʛʥʡʞʖʦʪʨʡʖʙʥʧʜʢʡʟ Включите тумблер питания на пульте управления котла ʥʦʞʳʨʤʢʚʤʡʜʛʣʙʤʦʛʨʲʳʠʦʖʣ ʨʛʦʢʤʠʤʣʨʦʤʡʡʛʦʖʙʤʦʛʡʠʞʅʤʚʤʜʚʞʨʛʣʖʙʦʛʘʖ ʨʤʥʡʞʘʖʚʤʩʧʨʖʣʤʘʡʛʣʣʤʟʨʛʢʥʛʦʖʨʩʦʱ ʇ ʉʧʨʖʣʤʘʞʨʛʨʛʢʥʛʦʖʨʩʦʩʨʛʥʡʤʣʤʧʞʨʛʡʵʣʖ ʨʛʦʢʤʠʤʣʨʦʤʡʡʛʦʛ ʥʩʡʲʨʖ ʩʥʦʖʘʡʛʣʞʵ ʠʤʨʡʖ ʘʱʮʛʚʛʟʧʨʘʞʨʛʡʲʣʤʟ . ʃʖʜʢʞʨʛʠʦʖʧʣʩʴʠʣʤʥʠʩʠʤʣʨʦ...
Страница 31 - ɽʖʥʩʧʠʠʤʨʡʖʘrʠʧʥʡʩʖʨʖʬʞɹ; ʅʛʦʘɦʟʝʖʥʩʧʠʠʤʨʡʖ
3 ɽʖʥʩʧʠʠʤʨʡʖʘʳʠʧʥʡʩʖʨʖʬʞʴ Первый запуск котла DanVex должен производиться сервисной службой дилера DanVex в Вашем регионе , после чего котел может работать в автоматическом режиме . Перед лицом , отвечающим за работу котла , может встать задача самому запустить котел , не при - бегая к помощи серви...
Страница 32 - ʈʛʫʣʞʭʛʧʠʤʛʤʗʧʡʩʜʞʘʖʣʞʛ; ʘʖ ʝʤʥ; ʥʨʩʥʧʥʝʤʥ
2 ʈʛʫʣʞʭʛʧʠʤʛʤʗʧʡʩʜʞʘʖʣʞʛ Не рекомендуется полностью сливать воду из котла , кроме случаев крайней необходимости . Не - обходимо регулярно проверять наличие воды в установке и , если нужно , добавлять воду , избегая внезапной подачи холодной воды в горячий котел . Эта операция должна производиться н...
Страница 33 - ʈʛʫʣʞʭʛʧʠʤʛʤʗʧʡʩʜʞʘʖʣʞʛʙʤʦʛʡʠʞ; ʫʥʧ ʨʪʤʥʮʤjʠʗʢʥʡ
ʈʛʫʣʞʭʛʧʠʤʛʤʗʧʡʩʜʞʘʖʣʞʛʙʤʦʛʡʠʞ ʫʥʧ ʨʪʤʥʮʤʲʠʗʢʥʡ ʫʥʧ ʨʪʤʥʮʤʲʠʗʢʥʡ ɺ ʢʶʤʖʮʖʢʖʦʧʥʭʜʛʪʧʲ ʥʗʨʢʪʝʟʘʖʤʟʶʙʥʧʜʢʡʟʤʜʥʗʬʥʛʟʣʥ Отсоединить разъем питания горелки , отсоединить разьемы преднагревателя . Отсоединить трубку подачи сжатого воздуха , нажав на кольцо фитинга , предва - рительно закрыв кран на компрес...
Страница 34 - ʥʧʜʢʡʖʗʜʞʘʜʧʬʤʜʠʡʧjʯʡʟ
ʦʧʥʘʜʧʡ ʖʫʥʩʥʛʖʩʮʟʡʖ Выньте фотодатчик из разъема . Очистите гла - зок чувствительного элемента до полной прозрачно - сти в случае его загрязнения . Мультиметром замерьте сопротивление фото - датчика на свету ( сопротивление фотодатчика долж - но быть в этом случае порядка Ом ) и с закры - тым чувст...
Страница 35 - ʅʤʞʧʠʞʩʧʨʦʖʣʛʣʞʛʣʛʞʧʥʦʖʘʣʤʧʨʛʟ; ʨʜʤʜʟʨʦʧʖʘʤʥʨʩʟʙʥʧʜʢʡʟʛʜʢʁʩʨʁʤʖʩʧʟʥʨʤʥʘʤjʬʘʟʛʖ; инимума; ʥʗhʟʜʬʖʧʖʡʩʜʧʤjʜʤʜʟʨʦʧʖʘʤʥʨʩʟ
ʅʤʞʧʠʞʩʧʨʦʖʣʛʣʞʛʣʛʞʧʥʦʖʘʣʤʧʨʛʟ ɸ ʨʜʤʜʟʨʦʧʖʘʤʥʨʩʟʙʥʧʜʢʡʟʛʜʢʶʩʨʶʤʖʩʧʟʥʨʤʥʘʤʲʬʘʟʛʖ ʤʜʟʨʦʧ ʖʘʤʥʨʩʟʴʢʜʡʩʧʟʮʜʨʡʥʙʥʬʖʧʖʡʩʜʧʖ , в том числе несоответствие напряжения требо - ваниям ʘʙʭ , выход из строя одного или нескольких узлов , нарушение контакта и т . д . ʥʩʨʪʩʨʩʘʟʜʛʖʘʢʜʤʟʶʨʝʖʩʥʙʥʘʥʞʛʪʬʖ ʘʩʥʧʟʮʤʥʙʥʘʥʞʛ...
Страница 36 - ʥʗhʟʜʧʜʡʥʣʜʤʛʖʭʟʟ; Psi; ʣʣ
Неисправность Причина Действие горелка начинает процедуру запуска , не происходит вос - пламенения из - за отсутствия подачи сжатого воздуха неисправен / засорен элек - тромагнитный клапан подачи сжатого воздуха , неисправен компрессор замените / очистите электро - магнитный клапан подачи сжатого во...
Страница 38 - ʖʧʖʤʩʟʠʤjʠʩʖʢʥʤ; ʀʤʨʛʡʘʤʚʤʙʦʛʟʣɦʟʢʤʚʛʡʞ; ʗɦʜʣʙʖʧʖʤʩʟʟʟʥʗʥʧʪʛʥʘʖʤʟʜʤʖʡʥʩʥʧʥʜʥʤʖʧʖʨʦʧʥʨʩʧʖʤʁʩʨʁ; ʣʛʧʨʖʗʞʡjʣʤʙʤʣʖʥʦɻʜʛʣʞɻʧʛʨʞ
3 ɹ ʖʧʖʤʩʟʠʤʲʠʩʖʢʥʤ ТИП ИЗДЕЛИЯ , МОДЕЛЬ : ʀʤʨʛʡʘʤʚʤʙʦʛʟʣʱʟʢʤʚʛʡʞ ___________________________________ ДАТА ПОКУПКИ : ____________________ СЕРИЙНЫЙ НОМЕР : ___________________________ ʄ ʗʱʜʣʙʖʧʖʤʩʟʟʟʥʗʥʧʪʛʥʘʖʤʟʜʤʖʡʥʩʥʧʥʜʥʤʖʧʖʨʦʧʥʨʩʧʖʤʶʩʨʶ Ниже перечислено оборудование , на которое распространяется да...