Страница 2 - СОДЕРЖАНИЕ
СОДЕРЖАНИЕ МЕРЫ ПРЕДОСТОРОЖНОСТИ ................................................................................................................................... 1 НАИМЕНОВАНИЕ ЧАСТЕЙ ....................................................................................................................
Страница 3 - ПРАВИЛА ТЕХНИКИ БЕЗОПАСНОСТИ И РЕКОМЕНДАЦИИ ПО УСТАНОВКЕ
вилка должны быть чистыми. Правильно и надежно указанному в таблице на блоках. Выключатель или Прежде чем обеспечить доступ к клеммам, кондиционер должен быть отключен от Может произойти несчастный случай. закреплено. при установке кондиционера. воздух и убедитесь в отсутствии утечек хладагента явля...
Страница 4 - ПРАВИЛА ТЕХНИКИ БЕЗОПАСНОСТИ И РЕКОМЕНДАЦИИ ДЛЯ ПОЛЬЗОВАТЕЛЕЙ
Если из прибора появился дым или ощущается запах проведением любой профилактики или технического Профилактика и техническое обслуживание должны отключения. необходимости установить устройство защитного с действующим законодательством, и при которые должны проверить заземление в соответствии прибора ...
Страница 5 - ПРАВИЛА БЕЗОПАСНОСТИ И ЗАПРЕТНЫЕ ДЕЙСТВИЯ
предметы в прибор. Это может привести к травме. на нем посторонние предметы. Не вставайте на наружный блок и не размещайте эффективности работы кондиционера с частями тела, либо когда стоите без обуви на полу. Не прикасайтесь к прибору мокрыми или влажными 3 Не сгибайте, не тяните и не сжимайте шнур...
Страница 6 - НАИМЕНОВАНИЕ ЧАСТЕЙ
НАИМЕНОВАНИЕ ЧАСТЕЙ 1 2 3 4 5 6 7 8 9 10 13 14 15 16 11 17 12 13 15 16 17 1 2-3 6 4-5 9 11 8 10 7 14 DIS PLAY HEAL TH Y 3D O N/O F F SW ING FA N TIME R SU PE R SLEE P MO DE EC O CL OC K 12 No. No.
Страница 8 - ФУНКЦИЯ АВАРИЙНОГО И АВТОМАТИЧЕСКОГО ПЕРЕЗАПУСКА; Форма и положение переключателей и индикаторов
6 ФУНКЦИЯ АВАРИЙНОГО И АВТОМАТИЧЕСКОГО ПЕРЕЗАПУСКА Форма и положение переключателей и индикаторов ON/OFF ON / OFF POWER SLEEP TIMER RUN Àâàðèéíàÿ ê ê í î ï à Àâàðèéíàÿ ê ê í î ï à Àâàðèéíàÿ ê ê í î ï à äèñïë é å ON/OFF
Страница 11 - Предварительные инструкции
управления или во время их замены, вы увидите DIP переключатели обогрева в приборе с тепловым насосом невозможно. Необходимо извлечь управления только для режима охлаждения, активировать функцию БУДЬТЕ ОСТОРОЖНЫ: после настройки пульта дистанционного Положение DIP переключателя типа, когда индикатор...
Страница 15 - РЕЖИМ ВЕНТИЛЯЦИИ; РЕЖИМ ОСУШЕНИЯ
вентилятора внутреннего блока. функция автоматического поддержания скорости вращения в помещении для создания комфорта. РЕЖИМ ВЕНТИЛЯЦИИ 13 РЕЖИМЫ РАБОТЫ Кондиционер работает только в режиме вентиляции. Чтобы установить режим FAN, нажмите кнопку MODE, пока на дисплее не отобразится символ (FAN). При...
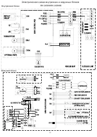
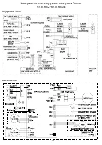
Страница 23 - трехходовой вентиль
электронного течеискателя. Шум, воздушный поток или слив конденсата беспокоит во всех режимах, кроме вентиляции. только через три минуты после того, как кондиционер включится Примечание: плата управления запустит компрессор • Утечка хладагента не проявляется после запуска? • Нормально ли работают на...
Страница 26 - мм
24 ИНСТРУКЦИЯ ПО МОНТАЖУ --- ИНФОРМАЦИЯ ДЛЯ МОНТАЖНИКА Тип предохранителей 220 В, который используется в платах управления внутренних блоков для 7 000 Бте/ч , 9 000 Бте/ч , 12 000 Бте/ч 15 000 Бте/ч, 16 000 Бте/ч , 18 000 Бте/ч , 22 000 Бте/ч , 24 000 Бте/ч , 30 000 Бте/ч - 50T с номинальным значени...
Страница 27 - ТЕХНИЧЕСКОЕ ОБСЛУЖИВАНИЕ; ВНУТРЕННИЙ БЛОК
выключен. промыть теплой водой (не более +45°C). 1. Отключите автоматический выключатель или вытащите вилку из розетки. ВОЗДУШНЫЕ ФИЛЬТРЫ большое значение для поддержания эффективной работы кондиционера. Периодическое техническое и профилактическое обслуживание имеет 25 ТЕХНИЧЕСКОЕ ОБСЛУЖИВАНИЕ Пере...
Страница 28 - УСТРАНЕНИЕ НЕИСПРАВНОСТЕЙ; НЕИСПРАВНОСТЬ
внутреннего блока. Неисправность двигателя вентилятора теплообменника Неисправность датчика температуры Неисправность датчика температуры в помещении Неисправный пульт управления блока. Пульт дистанционного управления удален на большое расстояние от внутреннего Не достаточное количество хладагента в...
Страница 29 - Размеры внутренних и наружных блоков; Модель; Единица
Размеры внутренних и наружных блоков RK-09-24SMI RK-09SMI RK-12SMI RK-18(24)SMI Модель W H D 09 718 240 180 12 770 240 180 18 900 280 202 24 1033 313 202 2 7 Единица измерения: мм
Страница 34 - ДАННЫЕ ПО ЭНЕРГОЭФФЕКТИВНОСТИ
ДАННЫЕ ПО ЭНЕРГОЭФФЕКТИВНОСТИ R K - 0 9 S M I R K - 0 9 S M I E A 3 6 5 2 , 3 , 2 5 3 , 0 0 B C D E F G R K - 1 2 S M I R K - 1 2 S M I E A 5 0 0 3 , 5 2 3 , 2 2 4 2 R K - 1 8 S M I R K - 1 8 S M I E A 8 7 5 5 , 2 7 3 , 5 , 5 0 A B C D E F G 4 4 R K - 2 4 S M I R K - 2 4 S M I E A 1 2 5 0 7 , 0 3 3 ...