Страница 2 - Содержание
2 RU MCX 3..7 SMARTRONIC ® Содержание Перед монтажом и первым включением прибора внимательно прочтите данную инструкцию. 1. Обзор . . . . . . . . . . . . . . . . . . . . . . . . . . . . . . . . . . . . . . . . . . . . . . . . . . . . . . . . . . . . . . . . . . . . . . . . . . . . . . . . 32. Примеч...
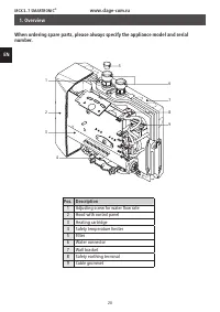
Страница 3 - CLAGE; Описание
3 CLAGE RU 1 3 8 7 6 5 9 4 2 № Описание 1 Винт регулировки объемного расхода 2 Лицевая панель с блоком управления 3 Нагревательный картридж 4 Ограничитель температуры 5 Фильтр 6 Разъем для подключения к линии ВС 7 Стенной кронштейн 8 Контакт заземления 9 Кабельная изоляционная втулка 1. Обзор При за...
Страница 4 - Примечания по технике безопасности
4 RU MCX 3..7 SMARTRONIC ® 2. Примечания по технике безопасности • Эксплуатация прибора запрещена, если он не смонтирован надлежащим образом и если он не находится в исправном рабочем состоянии. • Перед снятием лицевой панели прибора отключите его от электросети. • Запрещается вносить технические из...
Страница 5 - Чтобы; мак
5 CLAGE RU 3. Описание прибора 1 Проточный водонагреватель предназначен для снабжения одной водоразборной точки горячей водой и рассчитан на установку в комплекте со смесителем.При открытии крана горячей воды проточный водонагреватель автоматически включается и нагревает проходящую через него воду.З...
Страница 6 - Технические характеристики; Тип; Система нагрева с неизолированным электродом IES®
6 RU MCX 3..7 SMARTRONIC ® 4. Технические характеристики Тип MCX 3/7 MCX 4/7 MCX 6/7 MCX 6/220 MCX 6/7 Кат. № 15003 15004 15006 15005 15007 Вместимость л 0,2 0,2 0,2 0,2 0,2 Номинальное давление МПа (бар) 1 (10) 1 (10) 1 (10) 1 (10) 1 (10) Система нагрева Система нагрева с неизолированным электродом...
Страница 7 - Стандартные варианты установки
7 CLAGE RU Безнапорный вариант монтажа со специальным смесителем 5. Стандартные варианты установки 3 MCX 3/4: CSP 3 MCX 6/7: CSP 6 Напорный (закрытый) вариант монтажа со смесителем для приборов напорного типа 4 Установите аэратор Установите аэратор MCX 3/4: CSP 3 MCX 6/7: CSP 6 Подключение к сети с ...
Страница 8 - Необходимо соблюдать следующее
8 RU MCX 3..7 SMARTRONIC ® Прибор устанавливается как показано на рисунке в непосредственной близости к водоразборной точке в отапливаемом помещении. Мы гарантируем бесперебойную работу прибора только при использовании оригинальных принадлежностей и компонентов CLAGE. Обратите внимание:• Монтаж долж...
Страница 9 - Рекомендации по монтажу:; DN шланга; PN; Минимальная длина указана в таблице:
9 CLAGE RU Рекомендации по монтажу: DN шланга D внешний PN R мин. 8 мм 12 мм 20 бар 27 мм Обеспечьте надлежащее равнопотенциальное соединение. • Радиус изгиба R мин. шлангов не должен быть меньше 27 мм. Данное требование относится также к транспортировке и монтажу прибора. В случае невозможности соб...
Страница 10 - при необходимости устраните протечки.; данными
10 RU MCX 3..7 SMARTRONIC ® • Установите проточный водонагреватель патрубками вверх для прямого подключения к смесителю. • Закрепите стенной кронштейн на стене подходящими крепежными деталями (рис. 5). • Навесьте прибор на стенной кронштейн и зафиксируйте его в рабочем положении (рис. 6). Эксплуатац...
Страница 11 - Снятие прибора со стенного кронштейна; или квалифицированным специалистом.; Заземляющий проводник; устройство с минимальным расстоянием между контактами 3 мм.; Электроподключение
11 CLAGE RU 8. Монтаж прибора Снятие прибора со стенного кронштейна Вставьте конец отвертки с широким прямым шлицем до упора в фиксатор между патрубками и слегка надавите в направлении вверх (1), наклоните прибор к себе на не более чем 15° (2) и снимите его со стенного кронштейна движением вверх (3)...
Страница 12 - Электрическая схема; Ввод в эксплуатацию; без пузырьков воздуха.
12 RU MCX 3..7 SMARTRONIC ® 9. Электроподключение 1 3 2 Электрическая схема 1. Электронный регулятор2. Нагревательный элемент3. Термопредохранитель 9 ( 220 В~ ) MCX 6-220( 240 В~ ) MCX 3..6-240( 400 В 2~ ) MCX 7 Во избежание повреждения прибора перед его первым использованием необходимо выполнить пр...
Страница 13 - Снятие крышки; Нажмите на заднюю кромку крышки так, чтобы; Крышка с паспортными данными; Сдвиньте крышку в направлении стенного кронштейна
13 CLAGE RU Снятие крышки Под крышкой находятся паспортные данные прибора и винт регулировки объемного расхода. 1. Сдвиньте крышку в направлении стенного кронштейна. 2. Нажмите на заднюю кромку крышки так, чтобы передняя кромка приподнялась 3. Снимите крышку движением к себе. 12. Крышка с паспортным...
Страница 14 - Регулировка объемного расхода; Три цветных индикатора; Направление
14 RU MCX 3..7 SMARTRONIC ® Уменьшение объемного расхода: Чтобы уменьшить объемный расход, поверните регулировочный винт по часовой стрелке . Это позволит увеличить максимальную температуру нагрева. Увеличение объемного расхода: Чтобы увеличить объемный расход, поверните регулировочный винт против ч...
Страница 15 - Для перехода к первому значению нажмите кнопку; Блокировка кнопок и блокировка температуры; заданную температуру однократным нажатием кнопки.; Включение/выключение функции блокировки кнопки; проверки прибора и очистки фильтра в линии ХВС.
15 CLAGE RU Три цветных индикатора 14. Эксплуатация Для перехода к первому значению нажмите кнопку еще раз. По цветным индикаторам можно определить, какой температурный уровень выбран в данный момент. Блокировка кнопок и блокировка температуры Чтобы исключить возможность непреднамеренного изменения ...
Страница 16 - Окружающая среда и переработка; Проблема; Поиск и устранение неисправностей
16 RU MCX 3..7 SMARTRONIC ® 17. Окружающая среда и переработка Прибор изготовлен из высококачественных материалов и деталей многократного использования. Обратите внимание: электротехнические устройства по окончанию срока службы должны утилизироваться отдельно от хозяйственно-бытовых отходов. Обеспеч...
Страница 17 - Неисправен блок питания; CLAGE GmbH; Дистрибьютор в России:
17 CLAGE RU 18. Поиск и устранение неисправностей Один индикатор часто мигает и вода не нагревается Неисправен датчик температуры Замените датчик температуры (выполняется специалистом) Неисправен нагревательный элемент Замените нагревательный элемент (выполняется специалистом) Все индикаторы часто м...
Страница 18 - AEC; Лист технических данных
18 RU MCX 3..7 SMARTRONIC ® a b c d e f h i b.1 b.2 η WH AEC °C L WA % кВт*ч дБ(A) CLAGE MCX3 - XXS a 39 473 45 15 CLAGE MCX4 - XXS a 39 474 45 15 CLAGE MCX6 - XXS a 39 477 45 15 CLAGE MCX7 - XXS a 39 477 45 15 a Бренд или товарный знак b.1 Модель b.2 Тип c Профиль нагрузки d Класс энергоэффективнос...