Centek CT-5148 - инструкции и руководства
Кондиционер Centek CT-5148 - инструкции пользователя по применению, эксплуатации и установке на русском языке читайте онлайн в формате pdf
Инструкции:
Инструкция по эксплуатации Centek CT-5148
1
2
3
4
5
6
7
8
9
10
11
12
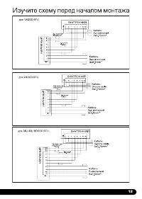
13
14
15
16
17
18
19
20
21
22
23
24
Centek Кондиционеры Инструкции
-
Centek 17600 vt, 18500 vt, EER 3.08, 42-51 HIGHLY CT-66C60
Инструкция по эксплуатации
-
Centek CT-65A09
Инструкция по эксплуатации
-
Centek CT-65A12
Инструкция по эксплуатации
-
Centek CT-65A18
Инструкция по эксплуатации
-
Centek CT-65A24
Инструкция по эксплуатации
-
Centek CT-65B09
Инструкция по эксплуатации
-
Centek CT-65B12
Инструкция по эксплуатации
-
Centek CT-65B18
Инструкция по эксплуатации
-
Centek CT-65B24
Инструкция по эксплуатации
-
Centek CT-65C07+
Инструкция по эксплуатации
-
Centek CT-65C09
Инструкция по эксплуатации
-
Centek CT-65C12
Инструкция по эксплуатации
-
Centek CT-65C18
Инструкция по эксплуатации
-
Centek CT-65C24
Инструкция по эксплуатации
-
Centek CT-65E07+
Инструкция по эксплуатации
-
Centek CT-65E09
Инструкция по эксплуатации
-
Centek CT-65E24
Инструкция по эксплуатации
-
Centek CT-65F07+
Инструкция по эксплуатации
-
Centek CT-65F09
Инструкция по эксплуатации
-
Centek CT-65F12
Инструкция по эксплуатации