Carrier 40LZA_38LZA- инструкции и руководства
Carrier 40LZA_38LZA- инструкции пользователя по применению, эксплуатации и установке на русском языке читайте онлайн в формате pdf
Инструкции:
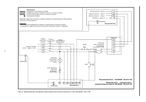
Инструкция по эксплуатации Carrier 40LZA_38LZA
1
2
3
4
5
6
7
8
Carrier Инструкции
-
Carrier 38AUZ и 38AUD
Инструкция по эксплуатации
-
Carrier 38LZA
Инструкция по эксплуатации
-
Carrier 40GKX
Инструкция по эксплуатации
-
Carrier 40MSC
Инструкция по эксплуатации
-
Carrier 42CSR
Инструкция по эксплуатации
-
Carrier 42CXH
Инструкция по эксплуатации
-
Carrier 42FTH_38HN
Инструкция по эксплуатации
-
Carrier 42NQV
Инструкция по эксплуатации
-
Carrier 42LUVHK
Инструкция по эксплуатации
-
Carrier 42NQV025M-A
Инструкция по эксплуатации
-
Carrier 42QCE
Инструкция по эксплуатации
-
Carrier 42QCRGE
Инструкция по эксплуатации
-
Carrier 42SMH_38HN
Инструкция по эксплуатации
-
Carrier 42TSH_38HN
Инструкция по эксплуатации
-
Carrier 42UQV
Инструкция по эксплуатации
-
Carrier 51 AKP
Инструкция по эксплуатации
-
Carrier Comfort Zone II
Инструкция по эксплуатации
-
Carrier FB4B
Инструкция по эксплуатации