Bort BHR-2500R-Pro - инструкции и руководства

model-name

Мойка высокого давления Bort BHR-2500R-Pro - инструкции пользователя по применению, эксплуатации и установке на русском языке читайте онлайн в формате pdf

1 Page 1
2 Page 2
3 Page 3
4 Page 4
5 Page 5
6 Page 6
7 Page 7
8 Page 8
9 Page 9
10 Page 10
11 Page 11
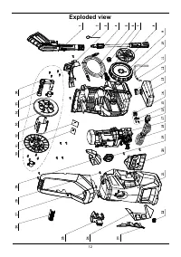
12 Page 12
13 Page 13
14 Page 14
15 Page 15
16 Page 16
17 Page 17
18 Page 18
19 Page 19
20 Page 20
21 Page 21
22 Page 22
23 Page 23
24 Page 24
25 Page 25
26 Page 26

Краткое содержание

Страница 8 - МОЙКА ВЫСОКОГО ДАВЛЕНИЯ; НАЗНАЧЕНИЕ; Электротехническая безопасность; Немедленно выключите мойку в случае:

8 МОЙКА ВЫСОКОГО ДАВЛЕНИЯ НАЗНАЧЕНИЕ Данное устройство предназначено для быстрой и эффективной мойки автомобилей, машин, лодок, зданий и т.д. с использованием чистой воды и хими - ческих моющих средств для удаления устойчивых за - грязнений. Пользуясь химическими моющими сред - ствами, применяйте то...

Страница 9 - ЭКСПЛУАТАЦИЯ

9 УСТАНОВКА И ПОДКЛЮЧЕНИЕ: 1. Мойка 2. Шланг для подачи воды 3. Подсоединение к источнику воды 4. Патрубок входной 5. Шланг высокого давления 6. Патрубок выходной 7. Пистолет 8. Шнур питания ПЕРЕД РАБОТОЙ РЕГУЛИРОВКА ФОРСУНКИ Вода может распыляться из форсунки либо узкона - правленной струёй, либо в...

Страница 10 - РАБОТА

10 Емкость для моющего средства присоединяется к пи - столету-распылителю так же, как и распылительная насадка. Заполните емкость жидким моющим сред - ством. Теперь при нажатии на курок распылителя при работающем аппарате моющее средство будет раз - брызгиваться вместе с водой (Рисунок 8) Примечание...

Bort Мойки высокого давления Инструкции