Страница 2 - Требования, несоблюдение которых может приве-; ПРИМЕЧАНИЕ; Свидетельство о приемке
2 Используемые обозначения Содержание ВНИМАНИЕ! Требования, несоблюдение которых может приве- сти к тяжелой травме или серьезному поврежде- нию оборудования. ОСТОРОЖНО! Требования, несоблюдение которых может при- вести к серьезной травме или летальному исходу. ПРИМЕЧАНИЕ 1. в тексте данной инструкци...
Страница 3 - Правила безопасности
3 Правила безопасности Правила безопасности ВНИ МА НИЕ! • При эксплуатации тепловентилятора соблюдайте общие правила безопасности при пользовании электроприборами. • Электрообогреватель является электрическим прибором и, как всякий прибор, его необходимо оберегать от ударов, попадания пыли и влаги. ...
Страница 4 - Подготовка изделия к работе
4 Подготовка изделия к работе Подготовка изделия к работе Изделие находится в транспортировочном по- ложении (Рис. 1). Для приведения прибора в ра- бочее положение необходимо выкрутить болт М6х20 (2 шт.) (1), как указанно на рис. 1. Рис. 1 Совместить отверстие в опоре (3) с верхней резь- бовой гайко...
Страница 5 - Устройство прибора
5 Устройство прибора Рис. 5 1.Барашковый винт 2.Шайба 6 3.Винт М6х20 4.Винт М6х30 5.Ручка 6.Изолон 7.Отверстие на ручке 8.Резьбовая гайка 9.Колесная опора Устройство прибора Несущая конструкция тепловентилятора (см. рис. 6.1, 6.2) состоит из кожухов наружного (1) и вну- треннего, изготовленных из ли...
Страница 6 - Подключение прибора
6 Технические характеристики 1. Корпус 2. Блок управления 3. Воздухозаборная решетка 4. Воздуховыпускная решетка 5. Колесная опора 6. Барашковый винт 7. Кнопка сброса аварийного термостата 8. Кабельный ввод Прибор имеет возможность регулировки угла наклона 20° Вверх (Рис. 7) и 15° Вниз (Рис. 8). Фи...
Страница 7 - Технические характеристики; Функции безопасной работы
7 1 2 3 1 - Винт М4х10; 2 - Лючок; 3 - Кабель; 4 - Кабельный ввод. 4 A Рис. 9 1 - Винт М4х10; 2 - Лючок; 3 - Кабель; 4 - Кабельный ввод. Технические характеристики Параметры / Модель BHP-P2-22 BHP-P2-30 Номинальная потребляемая мощность, кВт 21,0 27,0 Частичная потребляемая мощность, кВт 10,5 13,5 М...
Страница 8 - Управление тепловентилятором; Транспортировка и хранение
8 Транспортировка и хранение Управление тепловентилятором 1 0 4 23 5 - режим «0» - выключение прибора - режим «1» - вентиляция (без нагрева) - режим «2» - вентиляция с частичным включени- ем электронагревательных элементов; - режим «3» - вентиляция с включением электро- нагревательных элементов на п...
Страница 10 - Сертификация продукции; Товар сертифицирован на территории
10 Приборы и аксессуары можно приобрести в фирменном интернет-магазине: http://shop.ballu.ru или в торговых точках Вашего города. Сертификация продукции Товар сертифицирован на территории Таможенного союза. Товар соответствует требованиям нормативных документов: ТР ТС 004/2011 «О безопасности низков...
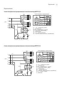
Страница 11 - Схема электрическая принципиальная тепловентилятора BHP-P2-22; Приложение; Схема электрическая принципиальная тепловентилятора BHP-P2-30
11 Приложение Схема электрическая принципиальная тепловентилятора BHP-P2-22 Схема электрическая принципиальная тепловентилятора BHP-P2-30 Приложение L 3 L 2 L 1 N PE KM1.2 KM2.2 EK2 EK1 EK4 EK5 EK6 ~400В EK3 M1 M ~ SK 4 SK1 KM2.1 EK1 - EK6 - нагревательный элемент; М1 - электродвигатель; КМ1, КМ2 - ...
Страница 12 - ГАРАНТИЙНЫЙ ТАЛОН; ТИП
ГАРАНТИЙНЫЙ ТАЛОН Настоящий документ не ограничивает определенные законом права потребителей,но дополняет и уточняет оговоренные законом обязательства, предполагающие соглашение сторон либо договор ТИП Срок службы Сплит-системы, мобильные кондиционеры, осушители, электрические обогреватели (конвекто...
Страница 13 - Настоящая гарантия не распространяется на:
Настоящая гарантия распространяется на произ-водственный или конструкционный дефект изделия Выполнение уполномоченным сервисным центром ре- монтных работ и замена дефектных деталей изделия про-изводятся в сервисном центре или у Покупателя (по усмо-трению сервисного центра). Гарантийный ремонт издели...
Страница 14 - Особые условия эксплуатации кондиционеров
• неправильного хранения изделия;• необходимости замены ламп, фильтров, элементов пита- ния, аккумуляторов, предохранителей, а также стеклян-ных/фарфоровых/матерчатых и перемещаемых вручную деталей и других дополнительных быстроизнашиваю-щихся/сменных деталей изделия, которые имеют соб-ственный огра...
Страница 15 - Памятка по уходу за кондиционером:
2. Перед началом эксплуатации воздухоочистителя извле- ките фильтры из упаковки. Для нормального распреде-ления очищенного воздуха по объему помещения не устанавливайте воздухоочиститель в воздушном потоке (на сквозняке, перед вентилятором и т. д.). Повреждение фильтра может привести к снижению эффе...