Ballu BHC-L10-S06 - инструкции и руководства
Обогреватель Ballu BHC-L10-S06 - инструкции пользователя по применению, эксплуатации и установке на русском языке читайте онлайн в формате pdf
Инструкции:
Инструкция по эксплуатации Ballu BHC-L10-S06
1
2
3
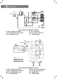
4
5
6
7
8
9
10
11
12
13
14
15
16
17
18
19
20
21
Ballu Обогреватели Инструкции
-
Ballu BFH/C-20
Инструкция по эксплуатации
-
Ballu BFH/S-05
Инструкция по эксплуатации
-
Ballu BHC 10 WR/28
Инструкция по эксплуатации
-
Ballu BHC 12 WR/25
Инструкция по эксплуатации
-
Ballu BHC 15 WR/45
Инструкция по эксплуатации
-
Ballu BHC 16 WR/43
Инструкция по эксплуатации
-
Ballu BHC 36 WR/100
Инструкция по эксплуатации
-
Ballu BHC 8 WR/15
Инструкция по эксплуатации
-
Ballu BHC-12.000 TR
Инструкция по эксплуатации
-
Ballu BHC-18.000 TR
Инструкция по эксплуатации
-
Ballu BHC-18.500TR
Инструкция по эксплуатации
-
Ballu BHC-24.000 TR
Инструкция по эксплуатации
-
Ballu BHC-3.000 SB
Инструкция по эксплуатации
-
Ballu BHC-5.000 SB
Инструкция по эксплуатации
-
Ballu BHC-6 SR
Инструкция по эксплуатации
-
Ballu BHC-6.000 TR
Инструкция по эксплуатации
-
Ballu BHC-9.000 TR
Инструкция по эксплуатации
-
Ballu BHC-9.001 TR
Инструкция по эксплуатации
-
Ballu BHG-10
Инструкция по эксплуатации
-
Ballu BHG-20
Инструкция по эксплуатации