Ballu-Biemmedue JUMBO 110M 230V-1-50/60 Hz - инструкции и руководства
Обогреватель Ballu-Biemmedue JUMBO 110M 230V-1-50/60 Hz - инструкции пользователя по применению, эксплуатации и установке на русском языке читайте онлайн в формате pdf
Инструкции:
Инструкция по эксплуатации Ballu-Biemmedue JUMBO 110M 230V-1-50/60 Hz
Краткое содержание
RU L-L 239.00-BM 60 / 88 ВАЖНО Перед использованием генератора рекомендуется внимательно прочесть все инструкции по эксплуатации , приведенные далее , и тщательно выполнять содержащиеся в них указания . Изготовитель не несет ответственности за физический и / или материальный ущерб , возникший в резу...
RU L-L 239.00-BM 61 / 88 национальных и местных законов , относящихся к пользованию данным оборудованием . Рекомендуется проверить , что : • инструкции , приведенные в настоящем руководстве , тщательно выполняются ; • зона установки генератора не относится к зонам с повышенным риском возгорания или ...
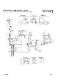
RU L-L 239.00-BM 65 / 88 4.7. ПОДКЛЮЧЕНИЕ К ДЫМООТВОДНОМУ КАНАЛУ Дымоотводные каналы выполняются из стали и отвечают требованиям нормы EN 1443. К . п . д . сгорания и бесперебойная работа горелки зависят от тяги в дымоходе . Соединение с дымоходом следует выполнять с соблюдением требований действующ...
RU L-L 239.00-BM 66 / 88 значения , указанного в табл . I, или до восстановления правильных значений сгорания ( см . пар . 4.8); • При необходимости можно изменить скорость открытия клапана на моделях , оснащенных узлом газового клапана Honeywell или SIT, с помощью регулировочного винта (6): поворач...
RU L-L 239.00-BM 68 / 88 6. ТЕХОБСЛУЖИВАНИЕ Внимание Все операции , приведенные в данном параграфе , должны выполняться только квалифицированным персоналом . Для бесперебойной работы агрегата следует периодически выполнять следующие операции , предварительно отключив генератор от сети электропитания...
L-L 239.00-BM 77 / 88 JUMBO 85M INGRESSO ARIA - ENTREE AIR - LUFTEINTRITT AIR INLET - ENTRADA DE AIRE - ВХОД ВОЗДУХА Diametro tubo - Diamètre du tuyau Schlauchdurchmesser - Tube diameter Diámetro del tubo - Диаметр трубы [mm] 500 Tubo flessibile Tuyau flexible Schlauch Flexible tube Tubo flexible Шл...
Ballu-Biemmedue Обогреватели Инструкции
-
Ballu-Biemmedue CONFORT 1G oil
Инструкция по эксплуатации
-
Ballu-Biemmedue CONFORT 2G oil
Инструкция по эксплуатации
-
Ballu-Biemmedue EC 22
Инструкция по эксплуатации
-
Ballu-Biemmedue EC 32
Инструкция по эксплуатации
-
Ballu-Biemmedue EC 55
Инструкция по эксплуатации
-
Ballu-Biemmedue EC 85
Инструкция по эксплуатации
-
Ballu-Biemmedue FARM 110M 230V-1-50/60 Hz
Инструкция по эксплуатации
-
Ballu-Biemmedue FARM 145M 230V-1-50/60 Hz
Инструкция по эксплуатации
-
Ballu-Biemmedue FARM 145T 230V-3-50/60 Hz
Инструкция по эксплуатации
-
Ballu-Biemmedue FARM 145T 400V-3-50/60 Hz
Инструкция по эксплуатации
-
Ballu-Biemmedue FARM 185M
Инструкция по эксплуатации
-
Ballu-Biemmedue FARM 185T 230V-3-50/60 Hz
Инструкция по эксплуатации
-
Ballu-Biemmedue FARM 185T 400V-3-50/60 Hz
Инструкция по эксплуатации
-
Ballu-Biemmedue FARM 85M 230V-1-50/60 Hz
Инструкция по эксплуатации
-
Ballu-Biemmedue FIRE 25
Инструкция по эксплуатации
-
Ballu-Biemmedue FIRE 45 1 SPEED
Инструкция по эксплуатации
-
Ballu-Biemmedue FIRE 45 2 SPEED
Инструкция по эксплуатации
-
Ballu-Biemmedue GA/N 115 C
Инструкция по эксплуатации
-
Ballu-Biemmedue GA/N 45 C
Инструкция по эксплуатации
-
Ballu-Biemmedue GA/N 70 C
Инструкция по эксплуатации