Atoll A-550P BOX STD (Sailboat) - инструкции и руководства
Фильтр для воды Atoll A-550P BOX STD (Sailboat) - инструкции пользователя по применению, эксплуатации и установке на русском языке читайте онлайн в формате pdf
Инструкции:
Инструкция по эксплуатации Atoll A-550P BOX STD (Sailboat)
1
2
3
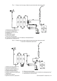
4
5
6
7
8
9
10
11
12
13
14
15
16
17
18
19
20
Atoll Фильтры для воды Инструкции
-
Atoll U-40s STD Compact
Инструкция по эксплуатации
-
Atoll U-31 STD
Инструкция по эксплуатации
-
Atoll D-31(h/i/u) STD
Инструкция по эксплуатации
-
Atoll D-30S STD
Инструкция по эксплуатации
-
Atoll D-30 STD
Инструкция по эксплуатации
-
Atoll D-21 STD
Инструкция по эксплуатации
-
Atoll A-5500MP STD (Cruise)
Инструкция по эксплуатации
-
Atoll A-5400P STD (без бака)
Инструкция по эксплуатации
-
Atoll A-4400P STD (без бака)
Инструкция по эксплуатации
-
Atoll A-4100M STD Compact
Инструкция по эксплуатации
-
Atoll A-4100 STD Compact
Инструкция по эксплуатации
-
Atoll A-3800P STD (без бака)
Инструкция по эксплуатации
-
Atoll ?-3500 STD Shuttle
Инструкция по эксплуатации
-
Atoll A-575P STD
Инструкция по эксплуатации
-
Atoll A-575M STD
Инструкция по эксплуатации
-
Atoll A-575Ep (CMB-R3)
Инструкция по эксплуатации
-
Atoll A-575 BOX STD (Sailboat)
Инструкция по эксплуатации
-
Atoll A-550P STD
Инструкция по эксплуатации
-
Atoll A-550 Патриот
Инструкция по эксплуатации
-
Atoll A-550 STD (A-560E)
Инструкция по эксплуатации