AEG MP 6 - инструкции и руководства
Водонагреватель AEG MP 6 - инструкции пользователя по применению, эксплуатации и установке на русском языке читайте онлайн в формате pdf
Инструкции:
Инструкция по эксплуатации AEG MP 6
1
2
3
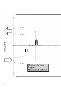
4
5
6
7
8
9
10
11
12
13
14
15
16
17
18
19
20
21
22
23
24
25
26
AEG Водонагреватели Инструкции
-
AEG BS 35E 221070
Инструкция по эксплуатации
-
AEG BS 45E 221071
Инструкция по эксплуатации
-
AEG BS 60E 221072
Инструкция по эксплуатации
-
AEG DDLE Basis 18 / 21 / 24 / 27
Инструкция по эксплуатации
-
AEG DDLE LCD 18 / 21 / 24 / 27
Инструкция по эксплуатации
-
AEG DDLT PinControl 13 / 18 / 21 / 24
Инструкция по эксплуатации
-
AEG EWH 10 mini (N) (U) (UN)
Инструкция по эксплуатации
-
AEG EWH 100 / 120 / 150 Basis (N)
Инструкция по эксплуатации
-
AEG EWH 100 / 120 / 150 Comfort (N)
Инструкция по эксплуатации
-
AEG EWH 15 mini (N) (U) (UN)
Инструкция по эксплуатации
-
AEG EWH 30 / 50 / 80 Basis (N)
Инструкция по эксплуатации
-
AEG EWH 30 / 50 / 80 Comfort (N)
Инструкция по эксплуатации
-
AEG EWH Basis 50 220651
Инструкция по эксплуатации
-
AEG EWH Basis 80 220652
Инструкция по эксплуатации
-
AEG MP 6 220394
Инструкция по эксплуатации
-
AEG MP 8
Инструкция по эксплуатации
-
AEG MP 8 220395
Инструкция по эксплуатации
-
AEG MTD 350
Инструкция по эксплуатации
-
AEG MTD 350 222120
Инструкция по эксплуатации
-
AEG MTD 440
Инструкция по эксплуатации