Abac SPINN 11 10 400/50 TM270 CE 4152022629 - инструкции и руководства
Компрессор Abac SPINN 11 10 400/50 TM270 CE 4152022629 - инструкции пользователя по применению, эксплуатации и установке на русском языке читайте онлайн в формате pdf
Инструкции:
Инструкция по эксплуатации Abac SPINN 11 10 400/50 TM270 CE 4152022629
1
2
3
4
5
6
7
8
9
10
11
12
13
14
15
16
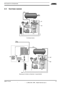
17
18
19
20
21
22
23
24
25
26
27
28
29
30
31
32
33
34
35
36
37
38
39
40
41
42
43
44
45
46
47
48
49
50
51
52
53
54
55
56
57
58
59
60
61
62
63
64
65
66
67
68
69
70
71
72
73
74
75
76
77
78
79
80
81
82
83
84
85
86
87
88
89
90
Abac Компрессоры Инструкции
-
Abac B 3800B/150 CT3 36HC541
Инструкция по эксплуатации
-
Abac Estoril L30P 4116023470
Инструкция по эксплуатации
-
Abac Montecarlo L20P 4116023467
Инструкция по эксплуатации
-
Abac Montecarlo L30P 1129100037
Инструкция по эксплуатации
-
Abac Montecarlo O20P 4116023462
Инструкция по эксплуатации
-
Abac Pole Position L20P 4116023466
Инструкция по эксплуатации
-
Abac Pole Position L25P 1129100042
Инструкция по эксплуатации
-
Abac Pole Position L30P 1129100045
Инструкция по эксплуатации
-
Abac Pole Position O20P 1121210969
Инструкция по эксплуатации
-
Abac Pole Position Plus OM 231 A3CC404BLU
Инструкция по эксплуатации
-
Abac MICRON 1113-500
Инструкция по эксплуатации
-
Abac MICRON 1508-500
Инструкция по эксплуатации
-
Abac MICRON 1513-500
Инструкция по эксплуатации
-
Abac MICRON 2.208-270
Инструкция по эксплуатации
-
Abac MICRON 2.208-270 220В
Инструкция по эксплуатации
-
Abac MICRON 2.210-270
Инструкция по эксплуатации
-
Abac MICRON 308-200
Инструкция по эксплуатации
-
Abac MICRON 310-200
Инструкция по эксплуатации
-
Abac MICRON 310-270
Инструкция по эксплуатации
-
Abac MICRON 408-200
Инструкция по эксплуатации