Страница 2 - Содержание; Во избежание материального
ru 2 Содержание 1 Безопасность................................. 4 1.1 Общие указания ............................ 41.2 Использование по назначению ....... 41.3 Ограничение круга пользова- телей ............................................ 4 1.4 Безопасная установка ................... 51.5 Безопасн...
Страница 3 - 4 Блокировка для безопасно-; 9 Транспортировка, хранение и
ru 3 14 Блокировка для безопасно- сти детей ................................... 43 14.1 Включение блокировки для безопасности детей ................... 43 14.2 Деактивация блокировки для безопасности детей ................... 43 15 Home Connect ........................... 43 15.1 Настройки Home Co...
Страница 4 - ru; Безопасность; Соблюдайте следующие указания по технике безопасности.; Общие указания; Внимательно прочитайте данное руководство.; Использование по назначению; Используйте прибор только:; Ограничение круга пользователей
ru Безопасность 4 1 Безопасность Соблюдайте следующие указания по технике безопасности. 1.1 Общие указания ¡ Внимательно прочитайте данное руководство. ¡ Сохраните инструкцию и информацию об изделии для дальней-шего использования или для передачи следующему владельцу. ¡ В случае обнаружения повреж...
Страница 5 - Безопасная установка; При установке прибора соблюдайте инструкции по безопасности.; ПРЕДУПРЕЖДЕНИЕ ‒ Опасность поражения электрическим
Безопасность ru 5 Не подпускайте детей младше 3 лет и домашних животных к при-бору. 1.4 Безопасная установка При установке прибора соблюдайте инструкции по безопасности. ПРЕДУПРЕЖДЕНИЕ ‒ Опасность поражения электрическим током! При неквалифицированном монтаже прибор может стать источни-ком опаснос...
Страница 6 - ПРЕДУПРЕЖДЕНИЕ ‒ Опасность возгорания!
ru Безопасность 6 ▶ Запрещается перегибать, защемлять или модифицировать сете-вой кабель. ПРЕДУПРЕЖДЕНИЕ ‒ Опасность возгорания! Использование удлиненного сетевого кабеля и не имеющих допус-ка адаптеров опасно. ▶ Не используйте удлинительные кабели или многоконтактные ро-зетки. ▶ Если длины сетевог...
Страница 7 - Выровняйте прибор c помощью ножек и уровня.; ОСТОРОЖНО ‒ Опасность пореза!; Не прикасайтесь к острым краям прибора.; Безопасное применение; Используйте прибор только в закрытом помещении.
Безопасность ru 7 ▶ Выровняйте прибор c помощью ножек и уровня. Неправильная прокладка шлангов и соединительных кабелей мо-жет привести к спотыканию. ▶ Прокладывайте шланги и сетевые кабели таким образом, чтобыникто не мог споткнуться о них. Передвигание прибора за выступающие части, например, за д...
Страница 8 - ПРЕДУПРЕЖДЕНИЕ ‒ Риск нанесения вреда здоровью!; Не подпускайте детей к мелким деталям.; ПРЕДУПРЕЖДЕНИЕ ‒ Опасность отравления!
ru Безопасность 8 ▶ Не пользуйтесь прибором при слишком высокой температуреили влажности. ▶ Не используйте для очистки прибора пароочистители, очистителивысокого давления, шланги или душевые установки. ПРЕДУПРЕЖДЕНИЕ ‒ Риск нанесения вреда здоровью! Дети могут оказаться запертыми внутри прибора, по...
Страница 9 - ОСТОРОЖНО ‒ Опасность травмирования!
Безопасность ru 9 ОСТОРОЖНО ‒ Опасность травмирования! При вставании или опирании на прибор крышка может сломаться. ▶ Не допускайте вставания или опирания на прибор. При вставании или опирании на открытую дверцу прибор можетопрокинуться. ▶ Не вставайте и не опирайтесь на открытую дверцу прибора. ▶ ...
Страница 10 - Безопасная очистка и техобслуживание; Проникшая в прибор влага может стать причиной удара током.; ПРЕДУПРЕЖДЕНИЕ ‒ Опасность травмирования!
ru Безопасность 10 1.6 Безопасная очистка и техобслуживание При очистке и обслуживании прибора соблюдайте инструкции побезопасности. ПРЕДУПРЕЖДЕНИЕ ‒ Опасность поражения электрическим током! При неквалифицированном ремонте прибор может стать источни-ком опасности. ▶ Ремонтировать прибор разрешаетс...
Страница 11 - Во избежание материально-
Во избежание материального ущерба ru 11 Во избежание материального ущерба 2 Во избежание материально- го ущерба Во избежание материального ущерба Соблюдайте эти инструкции во избежа-ние повреждения имущества и оборудо-вания. ВНИМАНИЕ! Неправильное обращение с кондиционе-рами, моющими средствами, ср...
Страница 12 - Охрана окружающей среды; Утилизaция yпaкoвки
ru Охрана окружающей среды и экономия 12 ▶ Не используйте жесткие мочалки илигубки. ▶ Протирайте прибор только мягкойвлажной тряпкой. ▶ При контакте с прибором немедленноудалите все остатки моющего сред-ства, распыленных веществ или мусо-ра. Охрана окружающей среды и экономия 3 Охрана окружающей ср...
Страница 13 - Режим экономии энергии; Установка и подключение; Распаковка прибора; Страница 4
Установка и подключение ru 13 3.3 Режим экономии энергии Если вы не пользуетесь прибором втечение длительного времени, приборавтоматически переключится в режимэкономии электроэнергии. Все индика-торы гаснут, а мигает. Режим экономии электроэнергии завер-шается при повторном использованииприбора, н...
Страница 14 - Комплектация
ru Установка и подключение 14 4.2 Комплектация После распаковки проверьте все детали на отсутствие транспортных повреждений икомплектность поставки. 1 2 3 4 1 Стиральная машина 2 Сопроводительная документа-ция 3 Изогнутый держатель для фик-сации сливного шланга 4 Пластиковые накладки 4.3 Требован...
Страница 15 - ПРЕДУПРЕЖДЕНИЕ; Опасность травмирования!; Снятие транспортировоч-; Примечания
Установка и подключение ru 15 ПРЕДУПРЕЖДЕНИЕ Опасность поражения электрическимтоком! Прибор содержит детали под напряже-нием. Прикосновение к деталям поднапряжением опасно. ▶ Запрещается эксплуатировать приборбез крышки. ПРЕДУПРЕЖДЕНИЕ Опасность травмирования! При эксплуатации на цоколе прибор мо-ж...
Страница 18 - Выравнивание прибора; Подключение прибора к
ru Установка и подключение 18 4.6 Выравнивание прибора Чтобы снизить уровень шума и вибрациии предотвратить перемещение прибора,правильно выровняйте прибор. Заметка: Для безопасной эксплуатации прибора обратите внимание на инфор-мацию по теме Безопасность → Страница 4 и Предотвращение мате- риал...
Страница 19 - Ознакомление с прибором; Прибор
Ознакомление с прибором ru 19 Ознакомление с прибором 5 Ознакомление с прибором Ознакомление с прибором 5.1 Прибор Здесь приведен обзор составных частей прибора. 1 2 4 6 3 5 8 7 7 В зависимости от типа прибора отдельные детали на рисунке могут отличаться, напри-мер, по цвету и форме. 1 Крышка для ...
Страница 20 - Кювета для моющих
ru Ознакомление с прибором 20 5.2 Кювета для моющих средств 2 3 1 4 1 Дозатор для жидких моющихсредств → "Установка дозатора для жид- ких моющих средств", Страница 40 2 Ячейка II: ¡ Моющее средство для основ-ного цикла стирки ¡ Средство для умягчения во-ды ¡ Отбеливатель ¡ Средство для уд...
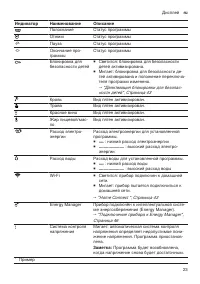
Страница 22 - Дисплей; Индикатор
ru Дисплей 22 Дисплей 6 Дисплей Дисплей На дисплее отображаются текущие установочные значения, опции для выбора илитекстовые указания. Индикатор Наименование Описание 00:40 1 Продолжительностьпрограммы/остав-шееся время вы-полнения програм-мы Предположительная продолжительность про-граммы или остав...
Страница 25 - Клавиши; Кнопка
Клавиши ru 25 Клавиши 7 Клавиши Клавиши Выбор установок для программы зависит от выбранной программы. Установки длякаждой программы показаны в обзоре → "Программы", Страница 27 . Кнопка Выбор Описание (Старт/Пауза/ Дозагрузка) ¡ Запустить ¡ Отменить ¡ Приостановить Запустите, отмените или ...
Страница 27 - Программы; Страница
Программы ru 27 Программы 8 Программы Программы Здесь приведен обзор программ. В нем содержится информация о загрузке и настраиваемых параметрах программ. Рекомендация: На этикетках по уходу за бельем приведена дополнительная информация по выбору программы. → "Символы на этикетках по уходу з...
Страница 34 - Принадлежность; Применение; Запуск холостого цикла
ru Принадлежность 34 Принадлежность 9 Принадлежность Принадлежность Используйте оригинальные принадлежности. Они адаптированы к данному прибору. Применение Номер заказа Удлинитель шланга подачиводы Удлинение шланга для хо-лодной воды или шлангаподачи воды Aquastop(2,50 м). WMZ2381 Накладки для креп...
Страница 35 - Подготовка белья
Стирка ru 35 4. Выдвиньте кювету для моющихсредств. 5. Добавьте универсальное моющеесредство в виде порошка в ячейку II. Для предотвращения пенообразова-ния используйте только половину ре-комендованного количества моюще-го средства для слабо загрязненногобелья. Не используйте средство длястирки шер...
Страница 36 - Сортировка белья; Степень загрязнения; Загрязнение; Символы на этикетках по уходу за изделиями; Символ
ru Стирка 36 – Расправьте и встряхните бельё– Старайтесь стирать большие и ма- ленькие изделия вместе – Свежие пятна смочите мыльным раствором (не трите) – Некоторые стойкие, засохшие пят- на можно удалить за несколькоциклов стирки 11.2 Сортировка белья Заметка: Для безопасной эксплуатации прибор...
Страница 37 - 2 Моющие средства и сред-; Рекомендации по моющим средствам
Моющие средства и средства по уходу ru 37 Символ Стирка Рекомендуемая програм-ма Ручная стирка Шерсть Не предназначено для машиннойстирки – Рекомендация: Подробную информа- цию о символах по уходу см.www.ginetex.ch. Моющие средства и средства по уходу 12 Моющие средства и сред- ства по уходу Моющи...
Страница 38 - Дозирование моющего средства
ru Моющие средства и средства по уходу 38 Моющее средство Текстильные изделия Программа Температура Средство для стиркитонкого белья Деликатные тонкие тек-стильные изделия изшёлка или вискозы Тонкоебельё/Шёлк от холодной до40 °C Средство для стиркишерсти Шерсть Шерсть от холодной до40 °C Рекомендац...
Страница 40 - Установка дозатора для
ru Стандартное управление 40 4. Заметка: Убедитесь, что бельё не за- жато дверцей.Закройте дверцу. 13.5 Установка дозатора для жидких моющихсредств Если дозатор заказывался в качествепринадлежности, его потребуется уста-новить. 1. Выдвиньте кювету для моющихсредств. 2. Прижмите вставку и полность...
Страница 41 - Загрузка моющих; Запуск программы
Стандартное управление ru 41 2. Сдвиньте дозатор вперёд. 3. Прижмите и зафиксируйте дозатор. 4. Задвиньте кювету для моющихсредств на место. 13.7 Загрузка моющих средств и средств поуходу Примечания ¡ Для безопасной эксплуатации прибо-ра обратите внимание на информа-цию по теме Безопасность → Стр...
Страница 42 - Дозагрузка белья; Отмена программы; мы без полоскания; Выключение прибора
ru Стандартное управление 42 13.10 Дозагрузка белья Заметка: Для безопасной эксплуатации прибора обратите внимание на инфор-мацию по теме Безопасность → Страница 4 и Предотвращение мате- риального ущерба → Страница 11 . 1. Нажмите на . Прибор приостанавливает работу ипроверяет, можно ли добавит...
Страница 43 - Блокировка; Блокировка; Рекомендации
Блокировка для безопасности детей ru 43 2. Вытрите резиновую манжету насухо иудалите посторонние предметы. 3. Оставьте дверцу и кювету для мою-щих средств открытыми, чтобы остат-ки воды высохли. Блокировка для безопасности детей 14 Блокировка для безопасно- сти детей Блокировка для безопасности дет...
Страница 44 - Настройки; Aut
ru Home Connect 44 прибором через приложениеHome Connect. → "Безопасность", Страница 4 ¡ Приоритетным является управлениена самом приборе. В этом случае од-новременное управление через при-ложение Home Connect невозможно. 15.1 Настройки Home Connect Выполните настройку Home Connect всоотв...
Страница 48 - Защита данных
ru Home Connect 48 если ваш прибор подключен к серверу,а удаленная диагностика доступна встране пользователя. Рекомендация: Для получения допол- нительной информации и указаний подоступу к удаленной диагностике в ва-шей стране см. раздел Сервис / Под-держка на местном веб-сайте:www.home-connect.co...
Страница 49 - 6 Базовые установки; Обзор базовых установок; Базовая установка Положение про-
Базовые установки ru 49 Базовые установки 16 Базовые установки Базовые установки Вы можете отрегулировать прибор согласно вашим потребностям. 16.1 Обзор базовых установок Здесь приведен обзор базовых установок прибора. Базовая установка Положение про- граммы Значение Описание Сигнал окончания 2 0 ...
Страница 51 - Очистка кюветы для мо-
Очистка и уход ru 51 ▶ После каждого использования остав-ляйте прибор просохнуть с открытойдверцей и выдвинутой кюветой длямоющих средств. ▶ Выполните программу Очистка ба- рабана без белья. Используйте универсальное моющеесредство. 17.3 Очистка кюветы для мо- ющих средств Заметка: Для безопас...
Страница 52 - Удаление накипи
ru Очистка и уход 52 17.4 Удаление накипи В случае правильного дозирования мо-ющего средства удаление накипи изприбора не потребуется. Если все женужно использовать средства для уда-ления накипи, следуйте инструкциямпроизводителя. ВНИМАНИЕ! Использование неподходящих средствдля удаления накипи, на...
Страница 53 - Очистка откачивающего
Очистка и уход ru 53 7. Выньте сливной шланг из держателя. 8. ОСТОРОЖНО - Опасность ошпаривания! Во время стирки при высокой температуре раствор мою-щего средства сильно нагревается. ▶ Не прикасайтесь к горячему растворумоющего средства.Для слива раствора моющего сред-ства в ёмкость снимите крышку....
Страница 54 - Очистка впускного от-
ru Очистка и уход 54 2. Очистите внутреннюю поверхность,резьбу крышки насоса и корпус насо-са. Крышка насоса состоит из двух дета-лей, которые можно разобрать приочистке. 3. Убедитесь, что оба лопастных колесаоткачивающего насоса проворачива-ются. 4. Установите на место крышку насоса. ‒ Убедитесь, ...
Страница 55 - Очистка сливного шлан-; кание
Очистка и уход ru 55 2. Проверьте наличие засоров во впуск-ном отверстии и удалите их. Заметка: Не используйте острые и ре- жущие предметы. 17.7 Очистка сливного шлан- га в месте подсоедине-ния к сифону Если сливной шланг в месте подсоеди-нения к сифону загрязнен, или раствормоющего средства не о...
Страница 56 - установленный на
ru Очистка и уход 56 3. Запустите программу и оставьте вы-полняться в течение прим. 40 секунд. 4. Выключите прибор. 5. Отсоедините вилку сетевого кабеляприбора от электросети. Прочистите фильтр, установленный на водопроводном кране Заметка: Для безопасной эксплуатации прибора обратите внимание на ...
Страница 57 - 8 Устранение неисправностей; Опасность поражения электрическим током!
Устранение неисправностей ru 57 Устранение неисправностей 18 Устранение неисправностей Устранение неисправностей Вы можете самостоятельно устранить незначительные неисправности вашего прибо-ра. Воспользуйтесь информацией из главы «Устранение неисправностей» перед об-ращением в сервисную службу. Это...
Страница 67 - Повторный ввод прибо-; Риск нанесения вреда здоровью!
Транспортировка, хранение и утилизация ru 67 2. Вставьте 4 втулки. 3. Вставьте все винты четырех транс-портировочных креплений и слегказатяните. 4. Установите сетевой кабель в крепле-ние и затяните все 4 винта транс-портировочных креплений ключомSW13 . 5. Вставьте шланг в крепление. 19.3 Повторны...
Страница 68 - 0 Сервисная служба
ru Сервисная служба 68 3. Утилизируйте прибор в соответствии сэкологическими нормами.Сведения о возможных способах ути-лизации можно получить в специали-зированном торговом предприятии, атакже в районных или городских ор-ганах управления. Данный прибор имеет от-метку о соответствии евро-пейским нор...
Страница 70 - 1 Параметры расхода; Программа
ru Параметры расхода 70 Параметры расхода 21 Параметры расхода Параметры расхода Указанные параметры расхода являются ориентировочными.Данные могут отличаться от приведённых значений в зависимости от давления воды,её жёсткости и исходной температуры, а также температуры помещения, вида, коли-чества...
Страница 71 - 3 Сертификат соответствия; Действительно только для стран Европейского экономического
Сертификат соответствия ru 71 Потребляемаямощность ¡ Выключенноесостояние:0,10 Вт ¡ Включенное со-стояние: 0,43 Вт ¡ Время до уста-новки сетевогорежима готов-ности (Wi-Fi):20 мин ¡ Режим готовно-сти при подклю-чении к сети(Wi-Fi): 1,00 Вт Давление воды ¡ Мин.: 100 кПа(1 бар) ¡ Макс.: 1000 кПа(10 ба...