Bort BWS-900 - Инструкция по эксплуатации

Bort BWS-900

Шлифмашина Bort BWS-900 - инструкция пользователя по применению, эксплуатации и установке на русском языке. Мы надеемся, она поможет вам решить возникшие у вас вопросы при эксплуатации техники.

Если остались дополнительные вопросы — свяжитесь с нами через контактную форму.

1 Страница 1
2 Страница 2
3 Страница 3
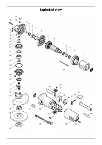
4 Страница 4
5 Страница 5
6 Страница 6
7 Страница 7
8 Страница 8
9 Страница 9
10 Страница 10
11 Страница 11
12 Страница 12
13 Страница 13
14 Страница 14
15 Страница 15
16 Страница 16
17 Страница 17
18 Страница 18
19 Страница 19
20 Страница 20
21 Страница 21
22 Страница 22
23 Страница 23
24 Страница 24
25 Страница 25
26 Страница 26
27 Страница 27
28 Страница 28
29 Страница 29
30 Страница 30
31 Страница 31
32 Страница 32
33 Страница 33
34 Страница 34
35 Страница 35
36 Страница 36
37 Страница 37
38 Страница 38
Страница: / 38

Содержание:

  • Страница 16 – Русский
  • Страница 29 – ГАРАНТИЙНЫЙ ТАЛОН
  • Страница 32 – GUARANTEE CERTIFICATE
  • Страница 33 – Купон No2; Купон No3; Купон No1
Загрузка инструкции

RU

FR

DE

GB

Winkelschleifer . . . . . . . . . . . . . . . . . . . . . . . . . 5

Angle grinder . . . . . . . . . . . . . . . . . . . . . . . . . . . 9

Meuleuse d’angle . . . . . . . . . . . . . . . . . . . . . . 12

Машина шлифовальная угловая . . . . . . 16

BWS–900

91279125

"Загрузка инструкции" означает, что нужно подождать пока файл загрузится и можно будет его читать онлайн. Некоторые инструкции очень большие и время их появления зависит от вашей скорости интернета.

Краткое содержание

Страница 16 - Русский

16 ment des ressources et à la protection de l’environnement en déposant cet appareil dans sites de collecte(si existants) . Pour éviter les dommages liés au transport, la machine est livré dans un emballage robuste . L’emballage est autant que possible constitué de matériau recyclable . Veuillez pa...

Страница 29 - ГАРАНТИЙНЫЙ ТАЛОН

29 ГАРАНТИЙНЫЙ ТАЛОН ДЕЙСТВУЕТ НА ТЕРРИТОРИИ РЕСПУБЛИКИ БЕЛАРУСЬ Внимание! Настоящий талон действует на террито- рии Республики Беларусь . При продаже должны за- полняться все поля гарантийного талона . Неполное или неправильное заполнение может привести к отказу от выполнения гарантийных обязательс...

Страница 32 - GUARANTEE CERTIFICATE

Stamp dealer • Briefmarkenhändler • Timbre marchand • Наименование и штамп торговой организации Serial Number • Fabrikationsnummer • Num. • Серийный номер Date of purchase • Kaufdatum • Date d’achet • Дата продажи Salesman • Verkäufer • Vendeur • Подпись продавца After having read the warranty terms...

Характеристики

Другие модели - Шлифмашины Bort

Все шлифмашины Bort