Bort BWS-610-P - Инструкция по эксплуатации

Bort BWS-610-P

Шлифмашина Bort BWS-610-P - инструкция пользователя по применению, эксплуатации и установке на русском языке. Мы надеемся, она поможет вам решить возникшие у вас вопросы при эксплуатации техники.

Если остались дополнительные вопросы — свяжитесь с нами через контактную форму.

1 Страница 1
2 Страница 2
3 Страница 3
4 Страница 4
5 Страница 5
6 Страница 6
7 Страница 7
8 Страница 8
9 Страница 9
10 Страница 10
11 Страница 11
12 Страница 12
13 Страница 13
14 Страница 14
15 Страница 15
16 Страница 16
17 Страница 17
18 Страница 18
19 Страница 19
20 Страница 20
21 Страница 21
22 Страница 22
23 Страница 23
24 Страница 24
25 Страница 25
26 Страница 26
27 Страница 27
28 Страница 28
29 Страница 29
30 Страница 30
31 Страница 31
32 Страница 32
33 Страница 33
34 Страница 34
35 Страница 35
36 Страница 36
37 Страница 37
38 Страница 38
39 Страница 39
40 Страница 40
Страница: / 40

Содержание:

  • Страница 17 – Русский
  • Страница 30 – ГАРАНТИЙНЫЙ ТАЛОН
  • Страница 34 – GUARANTEE CERTIFICATE; BORT GLOBAL LIMITED
  • Страница 35 – Купон No2; Купон No3; Купон No1
  • Страница 37 – Список авторизованных сервисных центров в городах России
Загрузка инструкции

BWS-610-P

91271037

RU

FR

DE

GB

Winkelschleifer . . . . . . . . . . . . . . . . . . . . . . . . . 6

Angle grinder . . . . . . . . . . . . . . . . . . . . . . . . . . 10

Meuleuse d’angle . . . . . . . . . . . . . . . . . . . . . . 13

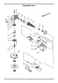
Машина шлифовальная угловая . . . . . . 17

"Загрузка инструкции" означает, что нужно подождать пока файл загрузится и можно будет его читать онлайн. Некоторые инструкции очень большие и время их появления зависит от вашей скорости интернета.

Краткое содержание

Страница 17 - Русский

17 • En présence de saleté tenace, employez un chiffon doux humecté d’eau savonneuse. Proscrivez l’emploi de sol-vants comme l’essence, l’alcool, l’ammoniaque etc. car ces substances attaquent les pièces en plastique. • Cette machine ne nécessite pas de graissage supplé- mentaire. • En cas de panne ...

Страница 30 - ГАРАНТИЙНЫЙ ТАЛОН

30 ГАРАНТИЙНЫЙ ТАЛОН ДЕЙСТВУЕТ НА ТЕРРИТОРИИРЕСПУБЛИКИ БЕЛАРУСЬ Внимание! Настоящий талон действует на террито-рии Республики Беларусь. При продаже должны за-полняться все поля гарантийного талона. Неполное или неправильное заполнение может привести к отказу от выполнения гарантийных обязательств. И...

Страница 34 - GUARANTEE CERTIFICATE; BORT GLOBAL LIMITED

34 Stamp dealer • Briefmarkenhändler • Timbre marchand • Наименование и штамп торговой организации Model • Modell • Modèle • Модель Serial Number • Fabrikationsnummer • Num. • Серийный номер Date of purchase • Kaufdatum • Date d’achet • Дата продажи Salesman • Verkäufer • Vendeur • Подпись продавца ...

Характеристики

Другие модели - Шлифмашины Bort

Все шлифмашины Bort