Bort BSS-1325 - Инструкция по эксплуатации

Bort BSS-1325

Пылесос Bort BSS-1325 - инструкция пользователя по применению, эксплуатации и установке на русском языке. Мы надеемся, она поможет вам решить возникшие у вас вопросы при эксплуатации техники.

Если остались дополнительные вопросы — свяжитесь с нами через контактную форму.

1 Страница 1
2 Страница 2
3 Страница 3
4 Страница 4
5 Страница 5
6 Страница 6
7 Страница 7
8 Страница 8
9 Страница 9
10 Страница 10
11 Страница 11
12 Страница 12
13 Страница 13
14 Страница 14
15 Страница 15
16 Страница 16
17 Страница 17
18 Страница 18
19 Страница 19
20 Страница 20
21 Страница 21
22 Страница 22
23 Страница 23
24 Страница 24
25 Страница 25
26 Страница 26
27 Страница 27
28 Страница 28
Страница: / 28

Содержание:

  • Страница 11 – Пылесос электрический; Русский
  • Страница 22 – ГАРАНТИЙНЫЙ ТАЛОН
  • Страница 24 – GUARANTEE CERTIFICATE
  • Страница 26 – Список авторизованных сервисных центров в городах России
Загрузка инструкции

BSS-1325

91272218

RU

FR

DE

GB

Elektrostaubsauger . . . . . . . . . . . . . . . . . . . . . 4

Electric vacuum cleaner . . . . . . . . . . . . . . . . . 6

Aspirateur électrique . . . . . . . . . . . . . . . . . . . . 8

Пылесос электрический . . . . . . . . . . . . . . 11

"Загрузка инструкции" означает, что нужно подождать пока файл загрузится и можно будет его читать онлайн. Некоторые инструкции очень большие и время их появления зависит от вашей скорости интернета.

Краткое содержание

Страница 11 - Пылесос электрический; Русский

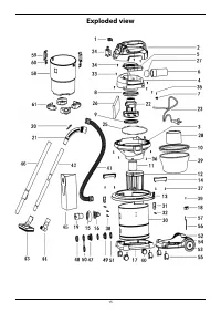
11 Пылесос электрический Назначение Данный пылесос предназначен для уборки бытовых помещений, он не предназначен для промышленного использования.Используйте пылесос только согласно инструкции по эксплуатации.Пылесос предназначен для собирания сухих веществ, а при принятии соответствующих мер – также...

Страница 22 - ГАРАНТИЙНЫЙ ТАЛОН

22 ГАРАНТИЙНЫЙ ТАЛОН ДЕЙСТВУЕТ НА ТЕРРИТОРИИРЕСПУБЛИКИ БЕЛАРУСЬ Внимание! Настоящий талон действует на террито-рии Республики Беларусь. При продаже должны за-полняться все поля гарантийного талона. Неполное или неправильное заполнение может привести к отказу от выполнения гарантийных обязательств. И...

Страница 24 - GUARANTEE CERTIFICATE

24 Stamp dealer • Briefmarkenhändler • Timbre marchand • Наименование и штамп торговой организации Model • Modell • Modèle • Модель Serial Number • Fabrikationsnummer • Num. • Серийный номер Date of purchase • Kaufdatum • Date d’achet • Дата продажи Salesman • Verkäufer • Vendeur • Подпись продавца ...

Характеристики

Другие модели - Пылесосы Bort

Все пылесосы Bort