Bort BOF-2100 - Инструкция по эксплуатации

Bort BOF-2100

Фрезер Bort BOF-2100 - инструкция пользователя по применению, эксплуатации и установке на русском языке. Мы надеемся, она поможет вам решить возникшие у вас вопросы при эксплуатации техники.

Если остались дополнительные вопросы — свяжитесь с нами через контактную форму.

1 Страница 1
2 Страница 2
3 Страница 3
4 Страница 4
5 Страница 5
6 Страница 6
7 Страница 7
8 Страница 8
9 Страница 9
10 Страница 10
11 Страница 11
12 Страница 12
13 Страница 13
14 Страница 14
15 Страница 15
16 Страница 16
17 Страница 17
18 Страница 18
19 Страница 19
20 Страница 20
21 Страница 21
22 Страница 22
23 Страница 23
24 Страница 24
25 Страница 25
26 Страница 26
27 Страница 27
28 Страница 28
29 Страница 29
30 Страница 30
31 Страница 31
32 Страница 32
Страница: / 32

Содержание:

  • Страница 14 – Фрезер электрический; Русский
  • Страница 25 – ГАРАНТИЙНЫЙ ТАЛОН
  • Страница 28 – GUARANTEE CERTIFICATE
  • Страница 29 – Купон No2; Купон No3; Купон No1
Загрузка инструкции

1

BOF-2100

93410198

RU

FR

DE

GB

Oberfräse . . . . . . . . . . . . . . . . . . . . . . . . . . . . . . . 6

Router . . . . . . . . . . . . . . . . . . . . . . . . . . . . . . . . . . 8

Défonceuse . . . . . . . . . . . . . . . . . . . . . . . . . . . . 11

Фрезер электрический . . . . . . . . . . . . . . . . 14

"Загрузка инструкции" означает, что нужно подождать пока файл загрузится и можно будет его читать онлайн. Некоторые инструкции очень большие и время их появления зависит от вашей скорости интернета.

Краткое содержание

Страница 14 - Фрезер электрический; Русский

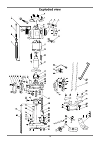
14 Фрезер электрический Назначение Данный инструмент предназначен для фрезерования изделий из дерева, ДСП, ДВП, фанеры, пластмасс и других аналогичных материалов . Технические характеристики (рис. 1) Напряжение / Частота 220–240 В / 50 Гц Мощность 2100 Вт Скорость холостого хода 8000 – 23000 мин -1 ...

Страница 25 - ГАРАНТИЙНЫЙ ТАЛОН

25 ГАРАНТИЙНЫЙ ТАЛОН ДЕЙСТВУЕТ НА ТЕРРИТОРИИ РЕСПУБЛИКИ БЕЛАРУСЬ Внимание! Настоящий талон действует на террито- рии Республики Беларусь . При продаже должны за- полняться все поля гарантийного талона . Неполное или неправильное заполнение может привести к отказу от выполнения гарантийных обязательс...

Страница 28 - GUARANTEE CERTIFICATE

28 Stamp dealer • Briefmarkenhändler • Timbre marchand • Наименование и штамп торговой организации Serial Number • Fabrikationsnummer • Num. • Серийный номер Date of purchase • Kaufdatum • Date d’achet • Дата продажи Salesman • Verkäufer • Vendeur • Подпись продавца After having read the warranty te...

Характеристики