Борино АОГВ -11,6 - 1 (М) "Eurosit" - Инструкция по эксплуатации

Борино АОГВ -11,6 - 1 (М)

Котел Борино АОГВ -11,6 - 1 (М) "Eurosit" - инструкция пользователя по применению, эксплуатации и установке на русском языке. Мы надеемся, она поможет вам решить возникшие у вас вопросы при эксплуатации техники.

Если остались дополнительные вопросы — свяжитесь с нами через контактную форму.

1 Страница 1
2 Страница 2
3 Страница 3
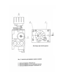
4 Страница 4
5 Страница 5
6 Страница 6
7 Страница 7
8 Страница 8
9 Страница 9
10 Страница 10
11 Страница 11
12 Страница 12
13 Страница 13
14 Страница 14
15 Страница 15
16 Страница 16
17 Страница 17
18 Страница 18
19 Страница 19
20 Страница 20
21 Страница 21
22 Страница 22
23 Страница 23
24 Страница 24
25 Страница 25
Страница: / 25
Загрузка инструкции

Инструкция
по эксплуатации

Газовый напольный котел Борино АОГВ -11,6 - 1 (М)

"Eurosit"

Цены на товар на сайте:

http://kotly.vseinstrumenti.ru/gazovye/napolnye/borino/aogv_-11.6_-_1_m__eurosit/

Отзывы и обсуждения товара на сайте:

http://kotly.vseinstrumenti.ru/gazovye/napolnye/borino/aogv_-11.6_-_1_m__eurosit/#tab-Responses

"Загрузка инструкции" означает, что нужно подождать пока файл загрузится и можно будет его читать онлайн. Некоторые инструкции очень большие и время их появления зависит от вашей скорости интернета.

Характеристики

Другие модели - Котлы Борино