Бетоносмесители Калибр БСЭ-200 - инструкция пользователя по применению, эксплуатации и установке на русском языке. Мы надеемся, она поможет вам решить возникшие у вас вопросы при эксплуатации техники.
Если остались вопросы, задайте их в комментариях после инструкции.
"Загружаем инструкцию", означает, что нужно подождать пока файл загрузится и можно будет его читать онлайн. Некоторые инструкции очень большие и время их появления зависит от вашей скорости интернета.
Загружаем инструкцию

Калибр Руководство по эксплуатации
www.kalibrcompany.ru 19
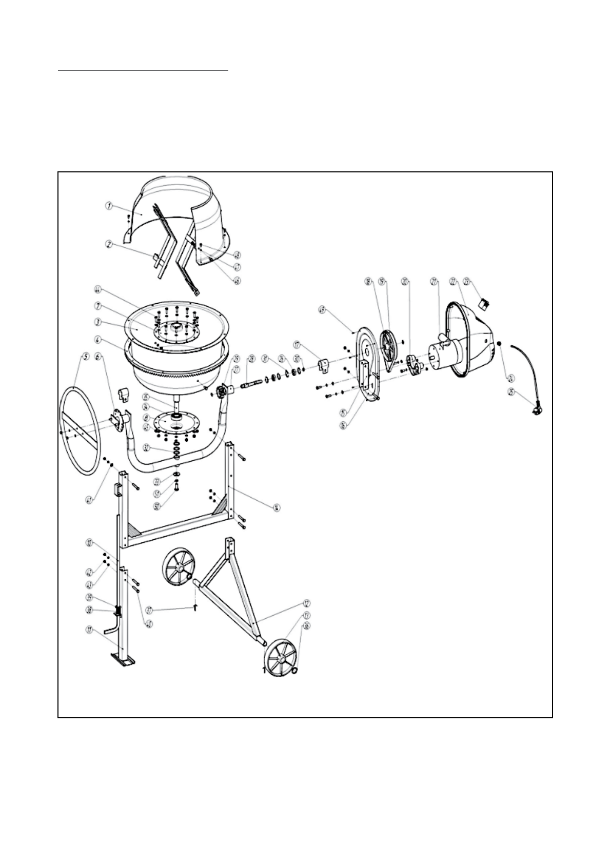
12. Приложение
Взрыв - схема
Содержание
- 4 Технические характеристики
- 5 Требования техники безопасности; чей зоне детей и посторонних лиц.; ЗАПРЕЩАЕТСЯ
- 6 повреждённым корпусом электродвигателя или выключателем.; Устройство бетоносмесителя
- 8 Сборка колёсной опоры
- 10 Установка моторного блока; При снятии кожуха, не; Установка штурвала
- 11 Установка лопаток на нижней; Не выкручивайте 2; Закрепление лопаток к верхней
- 12 Установка шкива и натяжение
- 13 Последовательность загрузки барабана:; заземления и подать электропитание на бетоносмеситель.
- 14 те бетоносмеситель водой.; Песок; только при вращающемся баке.
- 15 Правила транспортировки и хранения; Неисправность
- 16 Схема электрическая
- 17 характеристики и надёжность
- 18 Свидетельство о приёмке; нической документации.
- 20 Наименование
- 21 Вал опоры бака
- 22 Товар сертифицирован.
- 23 Корешок талона No1; Корешок талона No2; на гарантийный ремонт бетоносмесителя; на гарантийный ремонт бетоносмесителя
- 24 Заполняет ремонтное предприятие
- 25 Корешок талона No3; Корешок талона No4
Характеристики
Остались вопросы?Не нашли свой ответ в руководстве или возникли другие проблемы? Задайте свой вопрос в форме ниже с подробным описанием вашей ситуации, чтобы другие люди и специалисты смогли дать на него ответ. Если вы знаете как решить проблему другого человека, пожалуйста, подскажите ему :)
Часто задаваемые вопросы
Как посмотреть инструкцию к Калибр БСЭ-200?
Необходимо подождать полной загрузки инструкции в сером окне на данной странице
Руководство на русском языке?
Все наши руководства представлены на русском языке или схематично, поэтому вы без труда сможете разобраться с вашей моделью
Как скопировать текст из PDF?
Чтобы скопировать текст со страницы инструкции воспользуйтесь вкладкой "HTML"







