Бетоносмесители Калибр БСЭ-180 - инструкция пользователя по применению, эксплуатации и установке на русском языке. Мы надеемся, она поможет вам решить возникшие у вас вопросы при эксплуатации техники.
Если остались вопросы, задайте их в комментариях после инструкции.
"Загружаем инструкцию", означает, что нужно подождать пока файл загрузится и можно будет его читать онлайн. Некоторые инструкции очень большие и время их появления зависит от вашей скорости интернета.

Калибр Руководство по эксплуатации
16
www.kalibrcompany.ru
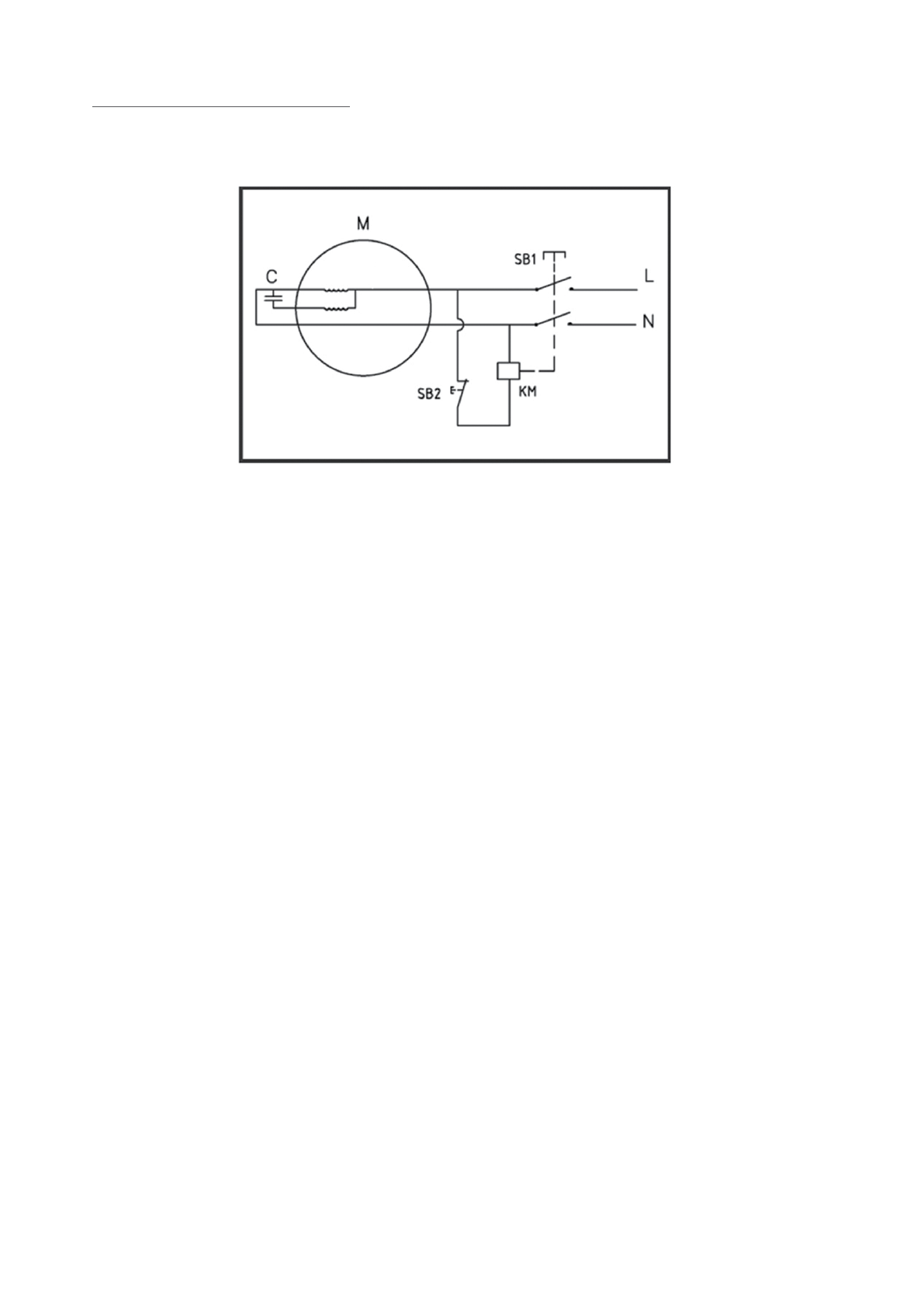
9. Схема электрическая
10. Гарантия
10.1 Гарантийный срок эксплуатации бетоносмесителя - 12 календарных месяцев со дня
продажи.
10.2 В случае выхода бетоносмесителя из строя в течение гарантийного срока эксплуа-
тации по вине изготовителя, владелец имеет право на бесплатный гарантийный ремонт, при
соблюдении следующих условий:
- отсутствие механических повреждений;
- отсутствие признаков нарушения требований руководства по эксплуатации;
- наличие в руководстве по эксплуатации отметки о продаже и наличие подписи покупателя;
- соответствие серийного номера бетоносмесителя серийному номеру в гарантийном
талоне;
- отсутствие следов неквалифицированного ремонта.
Удовлетворение претензий потребителя с недостатками по вине изготовителя произво-
дится в соответствии с законом РФ «О защите прав потребителей».
Адрес гарантийной мастерской:
141074, г. Королёв, М.О., ул. Пионерская, д. 1 б т. (495) 647-76-71
10.3 Безвозмездный ремонт или замена бетоносмесителя в течение гарантийного срока
эксплуатации производится при условии соблюдения потребителем правил эксплуатации и
технического обслуживания, хранения и транспортировки.
10.4 При обнаружении Покупателем каких-либо неисправностей бетоносмесителя, в
течение срока, указанного в п. 10.1 он должен проинформировать об этом Продавца и пре-
доставить бетоносмеситель Продавцу для проверки. Максимальный срок проверки - в соот-
ветствии с законом РФ «О защите прав потребителей». В случае обоснованности претен-
зий Продавец обязуется за свой счёт осуществить ремонт бетоносмесителя или его замену.
Транспортировка бетоносмесителя для экспертизы, гарантийного ремонта или замены про-
изводится за счёт Покупателя.
10.5 В том случае, если неисправность бетоносмесителя вызвана нарушением условий
его эксплуатаций или Покупателем нарушены условия, предусмотренные п. 10.3 Продавец с
согласия покупателя вправе осуществить ремонт бетоносмесителя за отдельную плату.
10.6 На продавца не могут быть возложены иные, не предусмотренные настоящим руко-
водством, обязательства.
10.7 Гарантия не распространяется на:
Содержание
- 4 Технические характеристики
- 5 Требования техники безопасности; чей зоне детей и посторонних лиц.; ЗАПРЕЩАЕТСЯ
- 6 повреждённым корпусом электродвигателя или выключателем.; Устройство бетоносмесителя
- 8 Сборка колёсной опоры
- 10 Установка моторного блока; При снятии кожуха, не; Установка штурвала
- 11 Установка лопаток на нижней; Не выкручивайте 2; Закрепление лопаток к верхней
- 12 Установка шкива и натяжение
- 13 Последовательность загрузки барабана:; заземления и подать электропитание на бетоносмеситель.
- 14 те бетоносмеситель водой.; Песок; только при вращающемся баке.
- 15 Правила транспортировки и хранения; Неисправность
- 16 Схема электрическая
- 17 характеристики и надёжность
- 18 Свидетельство о приёмке; нической документации.
- 20 Наименование
- 21 Вал опоры бака
- 22 Товар сертифицирован.
- 23 Корешок талона No1; Корешок талона No2; на гарантийный ремонт бетоносмесителя; на гарантийный ремонт бетоносмесителя
- 24 Заполняет ремонтное предприятие
- 25 Корешок талона No3; Корешок талона No4
Характеристики
Остались вопросы?Не нашли свой ответ в руководстве или возникли другие проблемы? Задайте свой вопрос в форме ниже с подробным описанием вашей ситуации, чтобы другие люди и специалисты смогли дать на него ответ. Если вы знаете как решить проблему другого человека, пожалуйста, подскажите ему :)







