Бензопилы ECHO CS-361WES - инструкция пользователя по применению, эксплуатации и установке на русском языке. Мы надеемся, она поможет вам решить возникшие у вас вопросы при эксплуатации техники.
Если остались вопросы, задайте их в комментариях после инструкции.
"Загружаем инструкцию", означает, что нужно подождать пока файл загрузится и можно будет его читать онлайн. Некоторые инструкции очень большие и время их появления зависит от вашей скорости интернета.

10
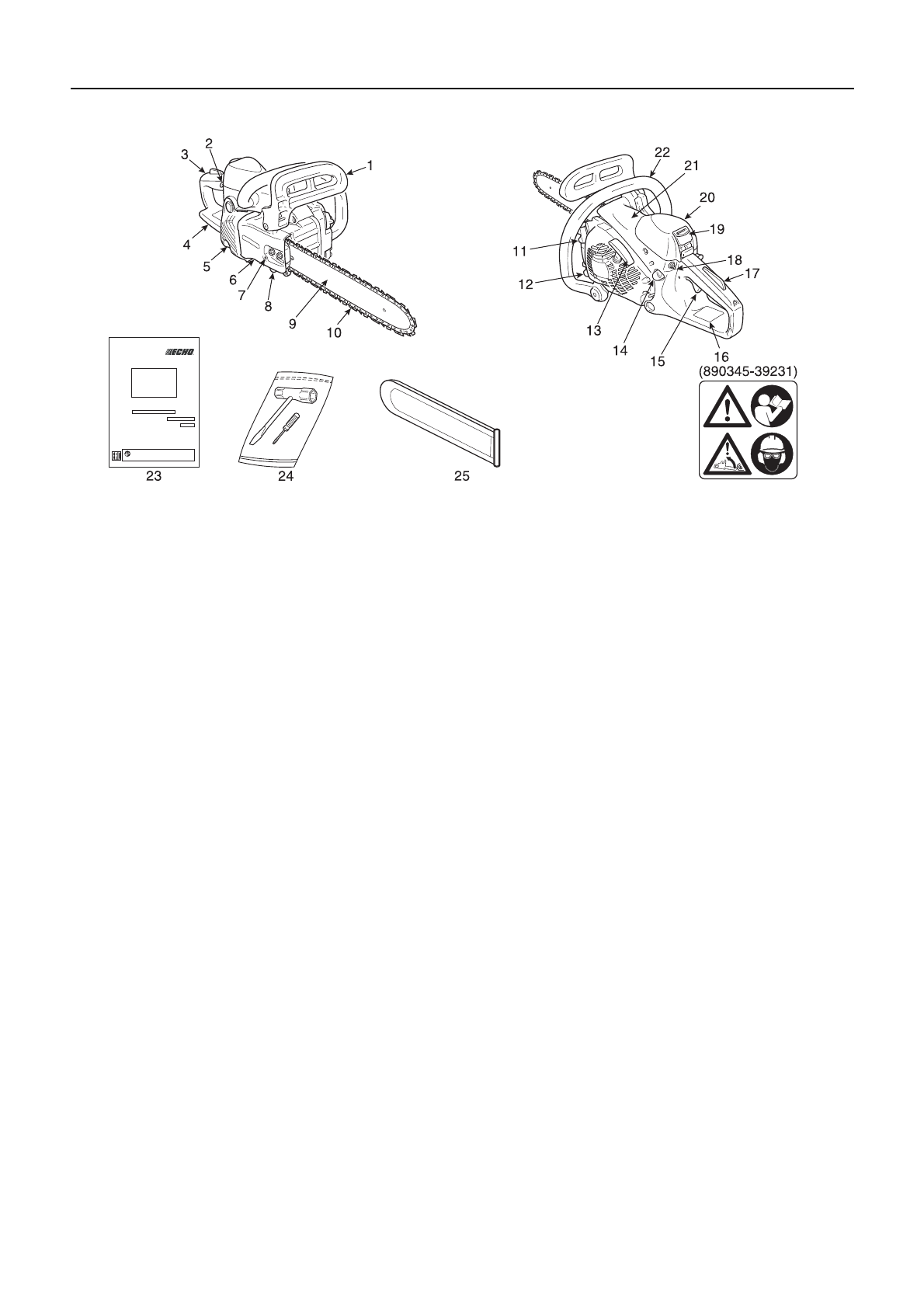
Описание
1. Передний защитный щиток - Щиток между передней
ручкой пилы и пильной цепью, предназначенный для
защиты руки от травм и помогающий обеспечить
контроль над бензопилой в случае, если рука
соскользнет с ручки.
Этот щиток используется для активизации тормоза
цепи, который предназначен для остановки
вращения пильной цепи.
2. Ручка управления воздушной заслонкой - Устройство
для обогащения воздушно топливной смеси в
карбюраторе с целью облегчения пуска холодного
двигателя.
3. Задняя ручка пилы (для правой руки) - Ручка для
удерживания пилы; расположена сзади от двигателя.
4. Задний защитный щиток - Удлинение нижней части
задней ручки пилы для защиты руки от цепи в случае
разрыва цепи или ее соскока с канавок пильной
шины.
5. Кожух глушителя - Закрывает глушитель, защищая
оператора от контакта с горячими поверхностями
глушителя.
6. Кожух сцепления - Защитный кожух для пильной
шины, пильной цепи, фрикционной муфты сцепления
и привода цепи (звездочки) в процессе эксплуатации.
7. Регулятор натяжения цепи - Используется для
регулировки натяжения цепи.
8. Уловитель цепи - Приспособление, предназначенное
для защиты правой руки оператора от возможного
удара цепью в случае разрыва цепи или ее схода с
направляющих канавок пильной шины во время
пиления.
9. Пильная шина - Деталь, на которой держится
пильная цепь, и которая направляет цепь.
10. Пильная цепь - Используется в качестве режущего
рабочего элемента.
11. Пробка топливного бака - Служит для закрывания
топливного бака.
12. Пробка масляного бака - Служит для закрывания
масляного бака.
13. Рукоятка стартера - Служит для пуска двигателя.
"Легкий запуск"
14. Подкачивающий насос (праймер) - Перед пуском
двигателя нажмите насос 3 или 4 раза.
15. Курок дросселя - Устройство, управляемое нажатием
пальца оператора, и предназначенное для
управления частотой вращения коленчатого вала
двигателя.
16. Предупредительная наклейка - Артикул 890345-
39231
17. Блокировка курка дросселя - Защитное устройство,
которое нажимается для высвобождения курка
дросселя; предназначено для предотвращения
случайного нажатия на курок дросселя.
18. Выключатель зажигания - Приспособление для
включения и выключения зажигания, следовательно
для пуска или остановки двигателя.
19. Фиксатор крышки воздухоочистителя - Служит для
установки крышки воздухоочистителя.
20. Крышка воздухоочистителя - Закрывает воздушный
фильтр.
21. Кожух цилиндра двигателя - Решетка, через которую
проходит поток охлаждающего воздуха.
Кожух защищает цилиндр.
22. Передняя ручка пилы (для левой руки) - Ручка для
удерживания пилы, расположена в передней части
двигателя.
23. Руководство по эксплуатации - Поставляется в
комплекте с инструментом.
Прочитайте перед началом работы, чтобы усвоить
надлежащие правила техники безопасности, и
сохраните как справочное пособие.
24. Инструменты -10 x 19 мм T-образный ключ
(комбинированная отвертка/свечной ключ),
маленькая отвертка.
25. Защитный чехол для пильной шины - Съемное
приспособление для зачехления пильной шины и
пильной цепи в процессе транспортировки и в других
случаях, когда пила не используется.