Ballu BHD-20S - Инструкция по эксплуатации

Ballu BHD-20S

Тепловая пушка Ballu BHD-20S - инструкция пользователя по применению, эксплуатации и установке на русском языке. Мы надеемся, она поможет вам решить возникшие у вас вопросы при эксплуатации техники.

Если остались дополнительные вопросы — свяжитесь с нами через контактную форму.

1 Страница 1
2 Страница 2
3 Страница 3
4 Страница 4
5 Страница 5
6 Страница 6
7 Страница 7
8 Страница 8
9 Страница 9
10 Страница 10
11 Страница 11
12 Страница 12
13 Страница 13
14 Страница 14
15 Страница 15
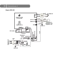
16 Страница 16
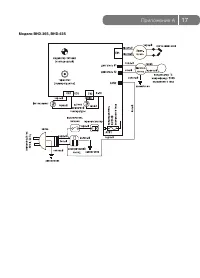
17 Страница 17
18 Страница 18
19 Страница 19
20 Страница 20
21 Страница 21
22 Страница 22
23 Страница 23
24 Страница 24
Страница: / 24
Загрузка инструкции

Руководство
по эксплуатации

Гарантийный талон

Перед началом эксплуатации воздухонагревателя внимательно
изучите данное руководство и храните его в доступном месте.

BHD-15S

|

BHD-20S

|

BHD-36S

|

BHD-63S

Генератор горячего воздуха дизельный
(воздухонагреватель)

АB 59

"Загрузка инструкции" означает, что нужно подождать пока файл загрузится и можно будет его читать онлайн. Некоторые инструкции очень большие и время их появления зависит от вашей скорости интернета.

Характеристики

Другие модели - Тепловые пушки Ballu

Все тепловые пушки Ballu