Автоусилители Prology ELITE-2300 - инструкция пользователя по применению, эксплуатации и установке на русском языке. Мы надеемся, она поможет вам решить возникшие у вас вопросы при эксплуатации техники.
Если остались вопросы, задайте их в комментариях после инструкции.
"Загружаем инструкцию", означает, что нужно подождать пока файл загрузится и можно будет его читать онлайн. Некоторые инструкции очень большие и время их появления зависит от вашей скорости интернета.

Prology ELITE 2300, 4300, 4400, 6350 © 2004 Saturn High-Tech, Inc.
8
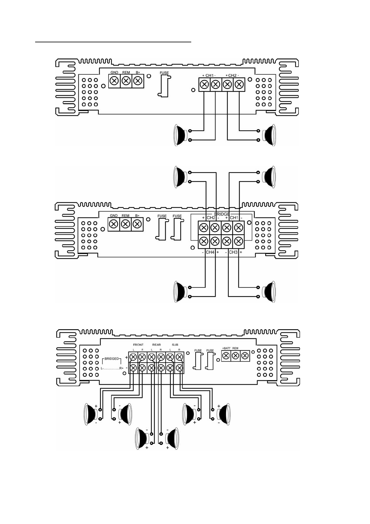
Подключение
динамиков
в
режиме
стерео
(
рис
. 4)
2-
канальный
усилитель
:
4
или
2
Ом
4
или
2
Ом
6-
канальный
усилитель
:
Используются
динамики
с
входным
сопротивлением
4
или
2
Ом
.
Рис
. 4
4
или
2
Ом
4
или
2
Ом
4
или
2
Ом
4
или
2
Ом
4-
канальный
усилитель
: