APS 2700 - Инструкция по эксплуатации - Страница 30

Автосигнализации APS 2700 - инструкция пользователя по применению, эксплуатации и установке на русском языке. Мы надеемся, она поможет вам решить возникшие у вас вопросы при эксплуатации техники.

Если остались вопросы, задайте их в комментариях после инструкции.

"Загружаем инструкцию", означает, что нужно подождать пока файл загрузится и можно будет его читать онлайн. Некоторые инструкции очень большие и время их появления зависит от вашей скорости интернета.
Страница:
/ 39
Загружаем инструкцию
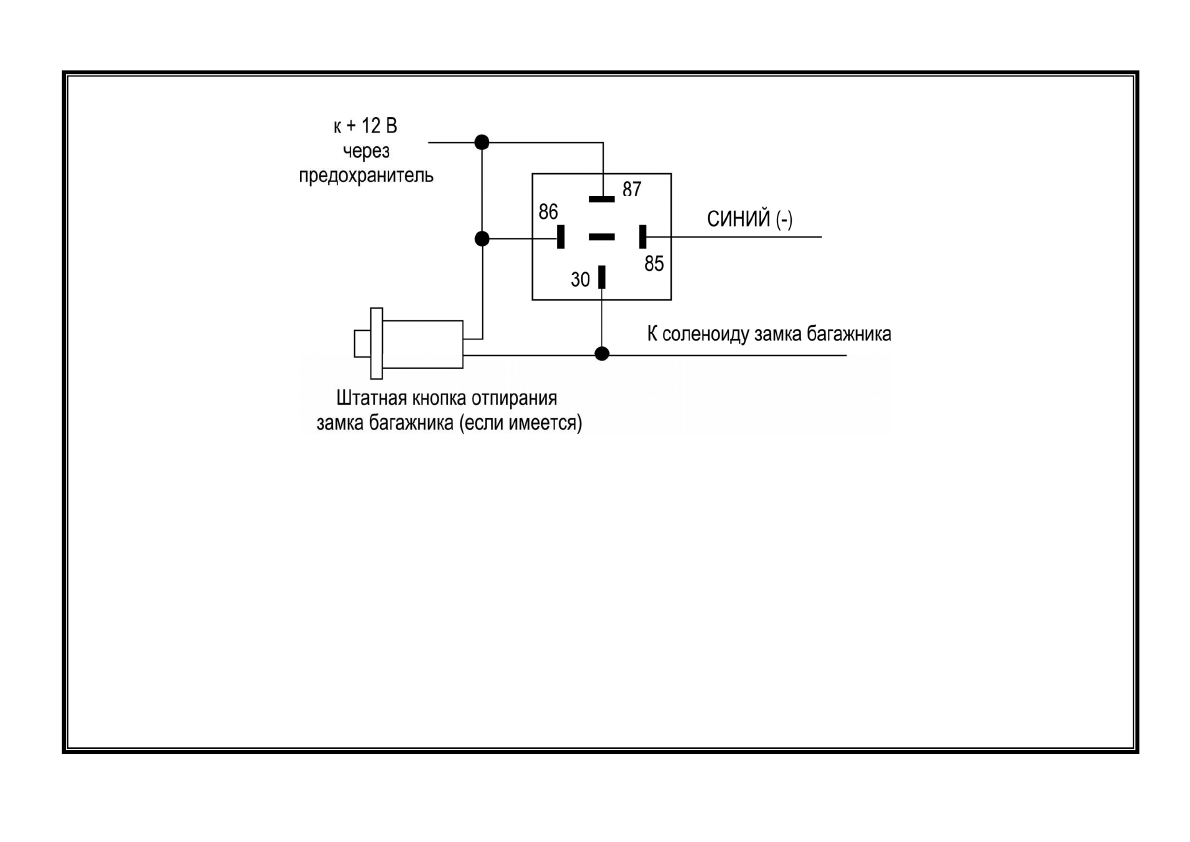
background image

 

A.P.S. 2700 “

 

 

   

”                                                                                                                                              © Saturn Marketing Ltd. 

 

 

30

 

 

 

   

 2-

 

 

 (

 

 # 6) 

 

 

 
 

 

 

 

 

 

 

 

 

 

 

 

 

 

 

 

,   

 

 

 

ё

/

 

 

 

 «

 

 

 

 

 

 

 

 

   

». 

 

 

 

 

 

 # 15 (. 

 

 

 

 

 

 

 

 

 

 

 

 

 

   

 

 

   

 

,  

 

 

 

 + 

 3 

.  

 

 

 

 

 

 

 

 

 

 

 

 

 

 

 

/

 

 

   

 

 
 
 
 
 

Полезные видео

Характеристики

Оцените статью
tehnopanorama.ru
Остались вопросы?

Не нашли свой ответ в руководстве или возникли другие проблемы? Задайте свой вопрос в форме ниже с подробным описанием вашей ситуации, чтобы другие люди и специалисты смогли дать на него ответ. Если вы знаете как решить проблему другого человека, пожалуйста, подскажите ему :)

Задать вопрос

Часто задаваемые вопросы
Как посмотреть инструкцию к APS 2700?
Необходимо подождать полной загрузки инструкции в сером окне на данной странице
Руководство на русском языке?
Все наши руководства представлены на русском языке или схематично, поэтому вы без труда сможете разобраться с вашей моделью
Как скопировать текст из PDF?
Чтобы скопировать текст со страницы инструкции воспользуйтесь вкладкой "HTML"