Автомобили Lada Granta лифтбек 02 2015 - инструкция пользователя по применению, эксплуатации и установке на русском языке. Мы надеемся, она поможет вам решить возникшие у вас вопросы при эксплуатации техники.
Если остались вопросы, задайте их в комментариях после инструкции.
"Загружаем инструкцию", означает, что нужно подождать пока файл загрузится и можно будет его читать онлайн. Некоторые инструкции очень большие и время их появления зависит от вашей скорости интернета.

G;* 'F 1 – 9(`;
2
>$9GD;Y>
2
34
K
B
2
HB K
30
)
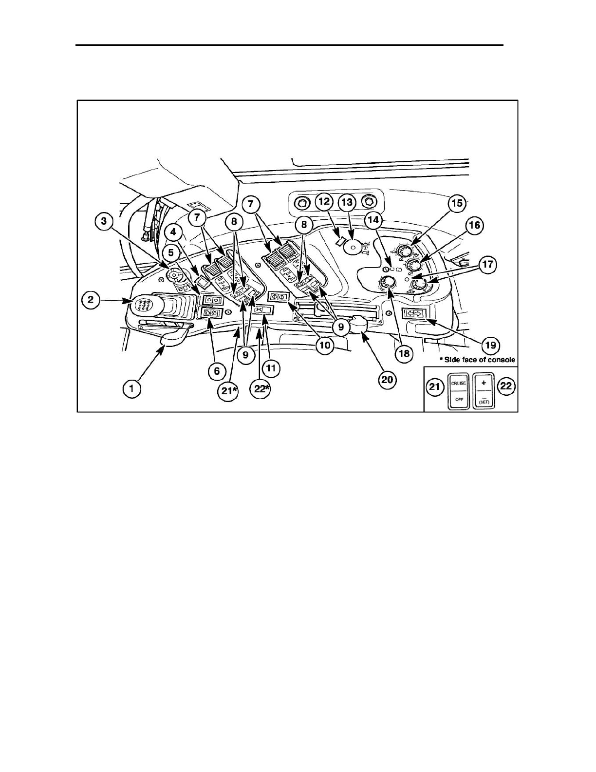
C87DE53 FBC35>8@;R @3 =A@DA>; DBC353
1. G
NJ36 FBC35>8@;R CFJ@N? 7CADD8>8?
2. G
NJ36 B8C8=>QJ8@;R B8C873J;
EC3@D?;DD;; D :3?=A? @3 @8<EC3>O@A<
B8C873J8
3.
8C8=>QJ3E8>O P>8=ECA
-
6;7C35>;J8D=A6A
FBC35>8@;R 7;DE3@I;A@@A6A =>3B3@3
.
4.
8C8=>QJ3E8>O 35EA?3E;J8D=A6A
B8C8=>QJ8@;R B8C873J EC3@D?;DD;;
.
5.
8C8=>QJ3E8>O B8C873J; 558CH
/
5@;:
.
6.
8C8=>QJ3E8>O 4NDECA6A
BA7M8?3
/
ABFD=3@;R EC8H=A@8J@A6A DI8B@A6A
FDECA<DE53
.
7.
8C8=>QJ3E8>; P>8=ECA
-
6;7C35>;J8D=A6A
FBC35>8@;R 7;DE3@I;A@@A6A =>3B3@3
(3
;>;
4)
8. G
FJ=; P>8=ECA
-
6;7C35>;J8D=A< C86F>;CA5=;
7;DE3@I;A@@A6A C3DHA7@A6A =>3B3@3
9.
8C8=>QJ3E8>; CFJ@A6A
/
BCA6C3??;CF8?A6A
P>8=ECA
-
6;7C35>;J8D=A6A FBC35>8@;R
7;DE3@I;A@@N? =>3B3@A?
10.
8C8=>QJ3E8>O FDECA<DE53 4>A=;CA5=;
7;GG8C8@I;3>3
11.
8C8=>QJ3E8>O BC;5A73 @3
4
=A>8D3
(FWD)
(
8D>; ;?88EDR
)
12. )
E3EFD@3R >3?BAJ=3
9D
13.
=>QJ8@;8
9D
14. )
E3EFD@3R >3?BAJ=3 C34AEN EC8H=A@8J@A6A
DI8B@A6A FDECA<DE53
15. G
FJ=3 FBC35>8@;R D=ACADEOQ ABFD=3@;R
EC8H=A@8J@A6A DI8B@A6A FDECA<DE53
(
8D>;
;?88EDR
)
16. G
FJ=3 FBC35>8@;R >;?;EA? 5NDAEN
BA7M8?3 EC8H=A@8J@A6A DI8B@A6A FDECA<DE53
(
8D>; ;?88EDR
)
17. F
3?BAJ=3 ;@7;=3EAC3 ; CFJ=3 =A@ECA>R
BCA4F=DA5=; EC8H=A@8J@A6A DI8B@A6A
FDECA<DE53
(
8D>; ;?88EDR
)
18. <
A@ECA>O@3R CFJ=3 JF5DE5;E8>O@ADE;
ER6A5A<
/
BA:;I;A@@A< C86F>;CA5=;
EC8H=A@8J@A6A DI8B@A6A FDECA<DE53
(
8D>;
;?88EDR
)
19.
A:;I;A@@N< B8C8=>QJ3E8>O 4A=A5A<
=A@DA>;
.
20. =
BC35>8@;8 BA7M8?A? EC8H=A@8J@A6A
DI8B@A6A FDECA<DE53 ; C86F>;CF8?3R ADE3@A5=3
21. <
@AB=3
" >['$>'/@<F."
22.
8C8=>QJ3E8>O =CF;:
-
=A@ECA>R
<
397N< BCA@F?8CA53@@N< A4M8=E A4DF9738EDR BA7 DAAE58EDE5FQL;? :36A>A5=A? @3 BAD>87FQL;H
DEC3@;I3H
.
 
  
  
  
  
  
  
  
  
  
  
  
  
  
  
  
  
  
  
  
  
  
  
  
  
  
  
  
  
  
  
  
  
  
  
  
  
  
  
  
  
  
  
  
  
  
  
  
  
  
  
  
  
  
  
  
  
  
  
  
  
  
  
  
  
  
  
  
  
  
  
  
  
  
  
  
  
  
  
  
  
  
  
  
  
  
  
  
  
  
  
  
  
  
  
  
  
  
  
  
  
  
  
  
  
  
  
  
  
  
  
  
  
  
  
  
  
  
  
  
  
  
  
  
  
  
  
  
  
  
  
  
  
  
  
  
  
  
  
  
  
  
  
  
  
  
  
  
  
  
  
  
  
  
  
  
  
  
  
  
  
  
  
  
  
  
  
  
  
  
  
  
  
  
  
  
  
  
  
  
  
  
  
  
  
  
  
  
  
  
  
  
  
  
  
  
  
  
  
  
  
  
  
  
  
  
  
  
  
  
  
  
  
  
  
  
  
  
  
  
  
  
  
  
  
  
  
  
  
  
  
  
  
  
  
  
  
  
  
  
  
  
  
  
  
  
  
  
  
  
  
  
  
  
  
  
  
  
  
  
  
  
  
  
  
  
  
  
  
  
  
  
  
  
  
  
  
  
  
  
  
  
  
  
  
  
  
  
  
  
  
 