Автомобили Fiat PANDA CLASSIC 2010 - инструкция пользователя по применению, эксплуатации и установке на русском языке. Мы надеемся, она поможет вам решить возникшие у вас вопросы при эксплуатации техники.
Если остались вопросы, задайте их в комментариях после инструкции.
"Загружаем инструкцию", означает, что нужно подождать пока файл загрузится и можно будет его читать онлайн. Некоторые инструкции очень большие и время их появления зависит от вашей скорости интернета.

«ÍÌÑ¿ÅÌ¿ÞÐÔÄË¿
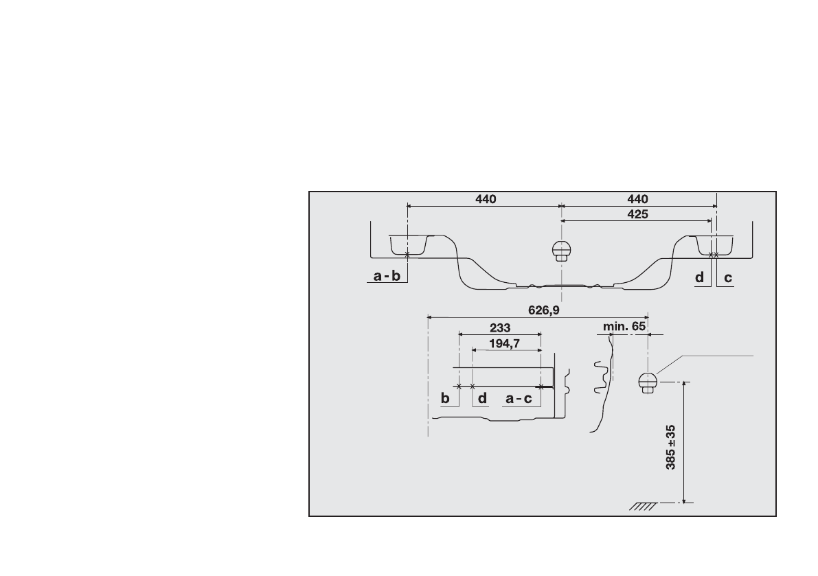
¯¿Ë¿ÀÒÉÐÇÏÍÁÍÖÌÍÂÍÉÏÝÉ¿ÉÏÄÎÇÑÐÞÁÑÍÖÉ¿ÔÍÀÍÆÌ¿ÖÄÌÌÚÔÀÒÉÁ¿ËÇBCDEÐÎÍËÍØÛÝÁÇÌÑÍÁ.
®ÏÇÉÏÄÎÊÄÌÇÇÉÏÝÉ¿ÉÉÒÆÍÁÒÐÊÄÃÒÄÑÇÆÀÄ¿ÑÛÐÁÄÏÊÄÌÇÞÇÊÇÍÀÏÄÆÉÇÆ¿ÃÌÄÂÍÀ¿ËÎÄÏ¿ÁÐÊÒÖ¿ÄÐÌÞÑÇÞÉÏÝÉ¿ÜÑÇ
ÐÊÄÃÚÀÒÃÒÑÁÇÃÌÚ
®¯¤£²®¯¤¥£¤¬§¤¬¿ÁÚÐÍÑÄ׿ϿÉÏÝÉ¿ÐÊÄÃÒÄÑÒÉÏÄÎÇÑÛÔÍÏÍ×ÍÁÇÃÇËÒÝÑ¿ÀÊÇÖÉÒÇÆÐÍÍÑÁÄÑÐÑÁÒÝØÄÂÍË¿ÑÄÏÇ¿
Ê¿ÇÎÍÃÔÍÃÞØÄÂÍÏ¿ÆËÄÏ¿ÐÌ¿ÃÎÇÐÛÝ
«©°§«ª»¬¾¬¢¯²¦©¬©¯½©ÉÂ
®ÍÍÉÍÌÖ¿ÌÇÇÒÐÑ¿ÌÍÁÉÇÍÑÁÄÏÐÑÇÞÎÍÃÉÏÄÎÄÅÌÚÄÀÍÊÑÚÐÊÄÃÒÄÑÆ¿ÂÄÏËÄÑÇÆÇÏÍÁ¿ÑÛÁÍÇÆÀÄÅ¿ÌÇÄÎÏÍÌÇÉÌÍÁÄÌÇÞÁ
пÊÍÌÁÚÔÊÍÎÌÚÔ¿ÆÍÁ
°Ñ¿ÌÿÏÑÌÚÈ׿Ï
°
ÎÍÊÌÍÈ
Ì¿ÂÏÒÆÉÍÈ
ÐÛ
Æ¿ÃÌÇÔ
ÉÍÊÄÐ
Ɉɫɶɡɚɞɧɢɯɤ
ɨ
ɥɟɫ
ɋɬɚɧɞɚɪɬɧɵɣɲɚɪ
ɋɩɨ
ɥɧɨɣɧɚɝɪ
ɭɡɤ
ɨɣ