Автомобили Fiat PANDA CLASSIC 2007 - инструкция пользователя по применению, эксплуатации и установке на русском языке. Мы надеемся, она поможет вам решить возникшие у вас вопросы при эксплуатации техники.
Если остались вопросы, задайте их в комментариях после инструкции.
"Загружаем инструкцию", означает, что нужно подождать пока файл загрузится и можно будет его читать онлайн. Некоторые инструкции очень большие и время их появления зависит от вашей скорости интернета.

«ÍÌÑ¿ÅÌ¿ÞÐÔÄË¿
¯¿Ë¿ÀÒÉÐÇÏÍÁÍÖÌÍÂÍÉÏÝÉ¿ÉÏÄÎÇÑÐÞÁÑÍÖÉ¿ÔÍÀÍÆÌ¿ÖÄÌÌÚÔÆÌ¿ÉÍË
y
ÀÍÊÑ¿ËÇ«ÇÀÍÊÑ¿ËÇ«
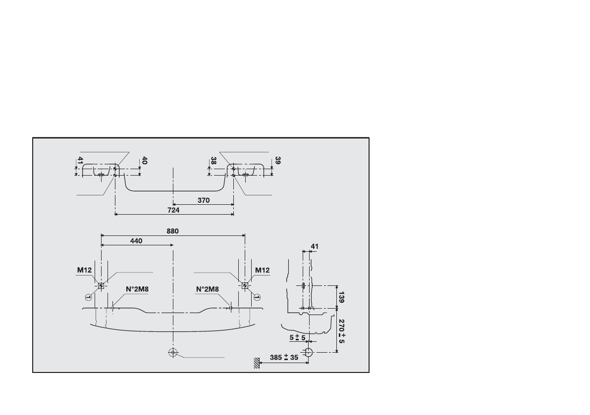
±ÍÊØÇÌ¿ÁÌÒÑÏÄÌÌÇÔÎÊ¿ÐÑÇÌ ÃÍÊÅÌ¿ÀÚÑÛÌÄËÄÌÄÄËË®ÏÇÉÏÄÎÊÄÌÇÇÉÏÝÉ¿ÉÉÒÆÍÁÒÐÊÄÃÒÄÑÇÆÀÄ¿ÑÛÐÁÄÏÊÄ
ÌÇÞÇÊÇÍÀÏÄÆÉÇÆ¿ÃÌÄÂÍÀ¿ËÎÄÏ¿ÁÐÊÒÖ¿ÄÐÌÞÑÇÞÉÏÝÉ¿ÜÑÇÐÊÄÃÚÀÒÃÒÑÁÇÃÌÚ
®¯¤£²®¯¤¥£¤¬§¤¬¿ÁÚÐÍÑÄ׿ϿÉÏÝÉ¿ÐÊÄÃÒÄÑÒÉÏÄÎÇÑÛÔÍÏÍ×ÍÁÇÃÇËÒÝÑ¿ÀÊÇÖÉÒÇÆÐÍÍÑÁÄÑÐÑÁÒÝØÄÂÍË¿ÑÄÏÇ¿
Ê¿ÇÎÍÃÔÍÃÞØÄÂÍÏ¿ÆËÄÏ¿ÐÌ¿ÃÎÇÐÛÝ
«©°§«ª»¬¾¬¢¯²¦©¬©¯½©ÉÂ
®ÍÍÉÍÌÖ¿ÌÇÇÒÐÑ¿ÌÍÁÉÇÍÑÁÄÏÐÑÇÞÎÍÃÉÏÄÎÄÅÌÚÄÀÍÊÑÚÐÊÄÃÒÄÑÆ¿ÂÄÏËÄÑÇÆÇÏÍÁ¿ÑÛÁÍÇÆÀÄÅ¿ÌÇÄÎÏÍÌÇÉÌÍÁÄÌÇÞÁ
пÊÍÌÁÚÔÊÍÎÌÚÔ¿ÆÍÁ
ÐÒØÄÐÑÁÒÝØÇÈ
ÀÍÊÑ
ÐÒØÄÐÑÁÒÝØÄÄ
ÍÑÁÄÏÐÑÇÄ
ÐÒØÄÐÑÁÒÝØÄÄ
ÍÑÁÄÏÐÑÇÄ
ÐÒØÄÐÑÁÒÝØÄÄ
ÍÑÁÄÏÐÑÇÄ
ÐÑ¿ÌÿÏÑÌÚÈ׿Ï
ÎÏÇÌ¿ÂÏÒÆÉÄ
ÐÒØÄÐÑÁÒÝØÄÄ
ÍÑÁÄÏÐÑÇÄ
ÐÒØÄÐÑÁÒÝØÇÈ
ÀÍÊÑ
ɫɭɳɟɫɬɜɭɸɳɟɟ
ɨɬɜɟɪɫɬɜɢɟ
ɫɭɳɟɫɬɜɭɸɳɢɣ
ɛɨɥɬ
ɫɭɳɟɫɬɜɭɸɳɢɣ
ɛɨɥɬ
ɫɭɳɟɫɬɜɭɸɳɟɟ
ɨɬɜɟɪɫɬɜɢɟ
ɫɭɳɟɫɬɜɭɸɳɟɟ
ɨɬɜɟɪɫɬɜɢɟ
ɫɭɳɟɫɬɜɭɸɳɟɟ
ɨɬɜɟɪɫɬɜɢɟ
ɫɬɚɧɞɚɪɬɧɵɣɲɚɪ
ɩɪɢɧɚɝɪɭɡɤɟ