Ariston ABS ANDRIS LUX 6 UR - Инструкция по эксплуатации

Ariston ABS ANDRIS LUX 6 UR

Водонагреватель Ariston ABS ANDRIS LUX 6 UR - инструкция пользователя по применению, эксплуатации и установке на русском языке. Мы надеемся, она поможет вам решить возникшие у вас вопросы при эксплуатации техники.

Если остались дополнительные вопросы — свяжитесь с нами через контактную форму.

1 Страница 1
2 Страница 2
3 Страница 3
4 Страница 4
Страница: / 4
Загрузка инструкции

7

77

ABS

ANDRIS

LUX

6

ABS

ANDRIS

LUX

6

Depolu elektrikli su isiticila

;:9:87654357650/50./-.,74:*)-
9:6'/&7:/:804)8/)7*&7.*.0.%./5

model

Referans

Sütun

Model Tipi

$#" #

$"

ABS

ANDRIS

LUX

6

Elektrische Boiler

OPENGEWERKTE TEKENING
ELEKTRISCHE BOILER

model

Code

Col

teken model

begindatum einddatum

ABS ANDRIS LUX 6

R8218026-01 - 07/03/2018

1

3626238

ABS ANDRIS LUX 6 OR

03-2018

-

2

3626239

ABS ANDRIS LUX 6 UR

03-2018

-

ABS

ANDRIS

LUX

6

ERSATZTEILKATALOG
ELEKTRISCHE HEISSWASSERSPRECHER

Gerätemodelle

Artikelnr

Spalte

Betroffene Modelle

Baubeginn Bauende

Elektrische Heisswasserspeicher

ABS ANDRIS LUX 6

R8218026-01 - 07/03/2018

1

3626238

ABS ANDRIS LUX 6 OR

03-2018

-

2

3626239

ABS ANDRIS LUX 6 UR

03-2018

-

ABS

ANDRIS

LUX

6

EXPLOSIONADO RECAMBIOS
CALENTADOR ELECTRICO DE ACUMULACION

Modelo

Referencia

Col

Aparatos concernados

Principio

Fin

Calentador Electrico de

Acumulacion

ABS ANDRIS LUX 6

R8218026-01 - 07/03/2018

1

3626238

ABS ANDRIS LUX 6 OR

03-2018

-

2

3626239

ABS ANDRIS LUX 6 UR

03-2018

-

ABS

ANDRIS

LUX

6

ESPLOSO RICAMBI
SCALDACQUA ELETTRICI AD ACCUMULO

Modello

Codice

Col

Modello

Date inizio

Data fine

Scaldacqua Elettrici ad

Accumulo

ABS ANDRIS LUX 6

R8218026-01 - 07/03/2018

1

3626238

ABS ANDRIS LUX 6 OR

03-2018

-

2

3626239

ABS ANDRIS LUX 6 UR

03-2018

-

ABS

ANDRIS

LUX

6

VUE ECLATEE
EAU CHAUDE ÉLECTRIQUE ACCUMULÉE

Modèle

Code

Col

Modèle

Date Début

Date Fin

Eau Chaude Electrique

Accumulée

ABS ANDRIS LUX 6

R8218026-01 - 07/03/2018

1

3626238

ABS ANDRIS LUX 6 OR

03-2018

-

2

3626239

ABS ANDRIS LUX 6 UR

03-2018

-

ABS

ANDRIS

LUX

6

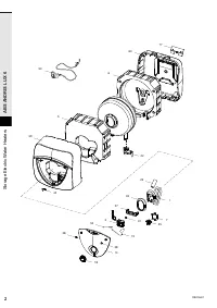
SPARE PARTS EXPLODED VIEW
STORAGE ELECTRIC WATER HEATERS

Model

Reference

Col

Model type

Begin

End

Storage Electric W

ater Heaters

ABS ANDRIS LUX 6

R8218026-01 - 07/03/2018

1

3626238

ABS ANDRIS LUX 6 OR

03-2018

-

2

3626239

ABS ANDRIS LUX 6 UR

03-2018

-

ABS

ANDRIS

LUX

6

1

EN FR IT ES DE

NL

"Загрузка инструкции" означает, что нужно подождать пока файл загрузится и можно будет его читать онлайн. Некоторые инструкции очень большие и время их появления зависит от вашей скорости интернета.

Характеристики

Другие модели - Водонагреватели Ariston

Все водонагреватели Ariston