APS 2500 - Инструкция по эксплуатации

APS 2500

Автосигнализация APS 2500 - инструкция пользователя по применению, эксплуатации и установке на русском языке. Мы надеемся, она поможет вам решить возникшие у вас вопросы при эксплуатации техники.

Если остались дополнительные вопросы — свяжитесь с нами через контактную форму.

1 Страница 1
2 Страница 2
3 Страница 3
4 Страница 4
5 Страница 5
6 Страница 6
7 Страница 7
8 Страница 8
9 Страница 9
10 Страница 10
11 Страница 11
12 Страница 12
13 Страница 13
14 Страница 14
15 Страница 15
16 Страница 16
17 Страница 17
18 Страница 18
19 Страница 19
Страница: / 19
Загрузка инструкции


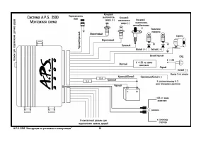
Vehicle Security System

with Code-Learning, Anti-Code Grabbing,

Built-In Relay for Starter Disable and 2-Stage Shock Sensor

И

у ц я

ь ва е я

/

И

у ц я

у а в е

"Загрузка инструкции" означает, что нужно подождать пока файл загрузится и можно будет его читать онлайн. Некоторые инструкции очень большие и время их появления зависит от вашей скорости интернета.

Характеристики

Другие модели - Автосигнализации APS

Все автосигнализации APS