Аквафор Комплект повышения давления (100 GPD) - Инструкция по эксплуатации

Аквафор Комплект повышения давления (100 GPD)

Фильтр для воды Аквафор Комплект повышения давления (100 GPD) - инструкция пользователя по применению, эксплуатации и установке на русском языке. Мы надеемся, она поможет вам решить возникшие у вас вопросы при эксплуатации техники.

Если остались дополнительные вопросы — свяжитесь с нами через контактную форму.

1 Страница 1
2 Страница 2
3 Страница 3
4 Страница 4
5 Страница 5
6 Страница 6
7 Страница 7
8 Страница 8
9 Страница 9
10 Страница 10
11 Страница 11
12 Страница 12
13 Страница 13
14 Страница 14
15 Страница 15
16 Страница 16
Страница: / 16

Содержание:

  • Страница 2 – Основные характеристики блока питания
  • Страница 3 – Меры предосторожности при использовании КПД с блоком питания; Определите удобное место расположения КПД.
  • Страница 4 – ПОДКЛЮЧЕНИЕ КПД; углублении трубки JG система будет неработоспособна.; ПОДКЛЮЧЕНИЕ КПД К ВОДООЧИСТИТЕЛЮ
  • Страница 5 – ВНИМАНИЕ! Все подсоединяемые трубки должны проходить без изло-; ПОДКЛЮЧЕНИЕ КПД К АВТОМАТУ ПИТЬЕВОЙ ВОДЫ
  • Страница 6 – • Сбросьте давление в DWM в соответствии с паспортом на ваш DWM.
  • Страница 8 – СРОКИ СЛУЖБЫ И ГАРАНТИИ; Изготовитель освобождается от ответственности в случаях:; ТАБЛИЦА НЕИСПРАВНОСТЕЙ
  • Страница 11 – Рисунок 5. Схема подключения КПД
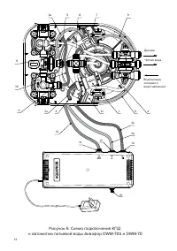
  • Страница 12 – Рисунок 6. Схема подключения КПД
  • Страница 14 – ема по
  • Страница 15 – ТАЛОН НА ГАРАНТИЙНЫЙ РЕМОНТ; Комплект повышения давления; СРОК ГАРАНТИИ – 1 ГОД СО ДНЯ ПРОДАЖИ; СВИДЕТЕЛЬСТВО ОБ УСТАНОВКЕ
  • Страница 16 – Сервис и поддержка покупателей
Загрузка инструкции

КОМПЛЕКТ

ПОВЫШЕНИЯ ДАВЛЕНИЯ

(100 GPD)

Подходит ко всем обратноосмотическим системам Аквафор

ООО «Аквафор», 2021

Руководство

по эксплуатации

"Загрузка инструкции" означает, что нужно подождать пока файл загрузится и можно будет его читать онлайн. Некоторые инструкции очень большие и время их появления зависит от вашей скорости интернета.

Краткое содержание

Страница 2 - Основные характеристики блока питания

2 1. ВВЕДЕНИЕ КПД (100 GPD) предназначен для автоматов питьевой воды Аквафор DWM-70S, DWM-70, Аквафор Морион DWM-101S, DWM-101, DWM-312S Pro, водоочистителей Аквафор ОСМО Кристалл, обратноосмотических систем Аквафор c водовоздушным баком Аквафор ОСМО, Аквафор OSMO Pro, а также аналогичных обратноосм...

Страница 3 - Меры предосторожности при использовании КПД с блоком питания; Определите удобное место расположения КПД.

3 Меры предосторожности при использовании КПД с блоком питания Прежде чем подключать блок питания для КПД к электросети, проверьте соответствие напря- жения электросети параметрам, указанным в паспорте КПД. Используйте только блок пита- ния с выходными характеристиками, соответствующими указанным в ...

Страница 4 - ПОДКЛЮЧЕНИЕ КПД; углублении трубки JG система будет неработоспособна.; ПОДКЛЮЧЕНИЕ КПД К ВОДООЧИСТИТЕЛЮ

4 Как подсоединять трубки (рис. 2а) Вытащите из-под пластиковой втулки запорную клипсу, вставьте предварительно смоченный водой конец трубки во втулку штуцера до упора на глубину примерно 15 мм и установите клип- су на место. Проверьте прочность закрепления трубки: при усилии 8–10 кгс трубка не долж...

Характеристики

Другие модели - Фильтры для воды Аквафор

Все фильтры для воды Аквафор