Акустика Yamaha NS-F210 - инструкция пользователя по применению, эксплуатации и установке на русском языке. Мы надеемся, она поможет вам решить возникшие у вас вопросы при эксплуатации техники.
Если остались вопросы, задайте их в комментариях после инструкции.
"Загружаем инструкцию", означает, что нужно подождать пока файл загрузится и можно будет его читать онлайн. Некоторые инструкции очень большие и время их появления зависит от вашей скорости интернета.

2
Ru
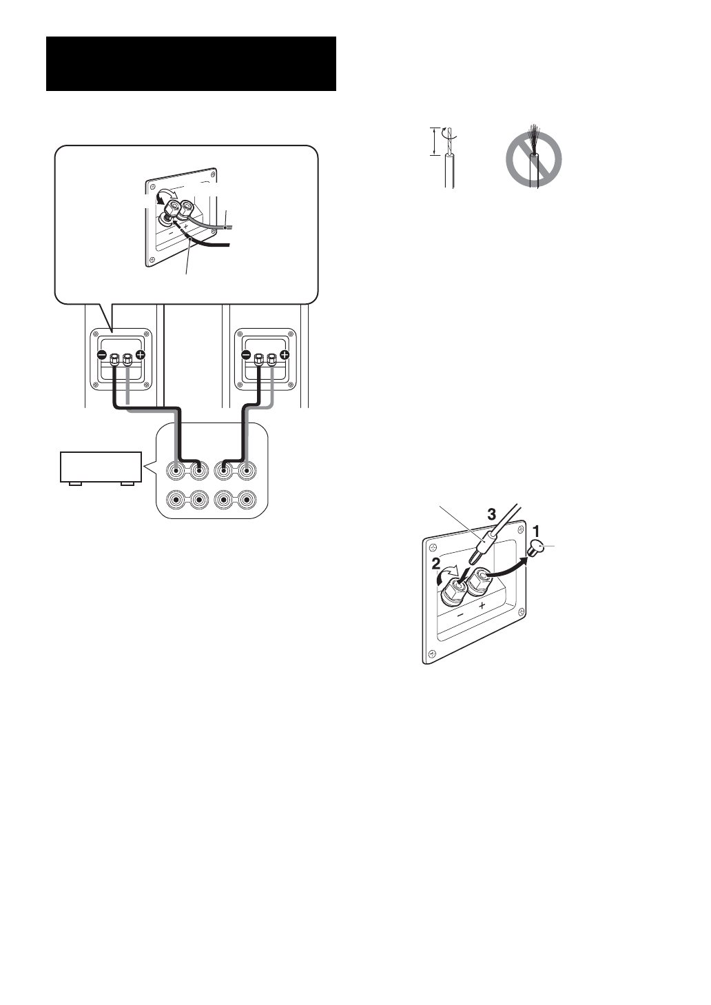
Перед выполнением соединений обязательно отключите
усилитель.
• Подключите заворачиваемые входные клеммы на
задней части акустической системы к выходным
клеммам на усилителе (или ресивере) с помощью
акустического кабеля.
• Подключите положительные (+) клеммы усилителя
(или ресивера) к положительной (+) клемме каждой
акустической системы, соблюдая цветовую
маркировку с обеих сторон кабеля. Соедините
отрицательные (–) клеммы компонентов с помощью
другого кабеля.
• Подключите одну акустическую систему к левым (с
отметкой L), а другую акустическую систему – к
правым (с отметкой R) клеммам усилителя, соблюдая
полярность (+, –). Если одна акустическая система
будет подключена с обратной полярностью, звук будет
неестественным с пониженным уровнем нижних
частот.
■
Способ подключения
1
Ослабьте ручку.
2
Снимите около 10 мм изоляции с каждого конца
кабеля, затем аккуратно и плотно скрутите
оголенные концы кабеля, как показано на рисунке.
3
Вставьте оголенные концы кабеля в клеммы.
4
Закрепите кабели, завернув ручки.
Проверьте надежность соединения, слегка потянув за
кабель в области клеммы.
Примечания
• Избегайте соприкосновения оголенных частей кабеля
для предотвращения повреждения акустической
системы и (или) усилителя.
• Не вставляйте в клеммы изолированные кабели. При
этом звук может не воспроизводиться.
■
Использование штекера с
продольными подпружинивающими
контактами
Примечание
Снимайте крышку только перед использованием
штекера.
1
Снимите крышку, потянув ее на себя.
2
Затяните ручку клеммы.
3
Просто вставьте штекер с продольными
подпружинивающими контактами в клемму.
ПОДКЛЮЧЕНИЕ К
УСИЛИТЕЛЮ
SPEAKERS
A
B
L
R
+
+
–
–
Ослабьте
Черный (–)
Затяните
Красный (+)
NS-F210
Усилитель или
ресивер
Выходные
клеммы для
подключения
акустических
систем к
усилителю
(или
ресиверу)
NS-F210
Правильно Неправильно
10
мм
Штекер с продольными подпружинивающими контактами
Крышка
Содержание
- 19 Примечания
- 20 Способ подключения; Примечание; ПОДКЛЮЧЕНИЕ К; Правильно Неправильно; мм
- 21 СНЯТИЕ ПЕРЕДНЕЙ