Страница 3 - Содержание; Описание пульта дистанционного
3 Содержание Обзор продукта.............................................4 Характеристики..............................................4 Функции..............................................................5 Комплект упаковки..............................................6 Основной блок..................
Страница 4 - Характеристики
4 Обзор продукта: Благодарим Вас за выбор GQB -2 H , устройства, специально разработанного для записи видео с передней и задней части автомобиля, а также предоставляющего задний обзор для безопасной парковки. Продукт полностью соответствует устройству автомобиля и правилам его применения. Настоящее ...
Страница 5 - Функции; При включенной функции
5 Функции 1. Помощь при парковке При начале парковки система выведет на монитор вид сзади автомобиля. После завершения парковки на экране будут показаны 2 вида – спереди и сзади автомобиля, после чего экран будет отключен согласно настройкам. Данная функция также доступна с пульта дистанционного упр...
Страница 6 - Комплект упаковки; Передняя и задняя
Комплект упаковки Основной блок (1) Пульт ДУ (1) ИК-приемник (1) Набор кабелей (1) Передняя и задняя камера (1) Набор видео кабелей (1) Карта памяти 8ГБ (1) Руководство по использованию (1) Обратите внимание: 1. Изображения могут немного отличаться от реального продукта, упаковка может быть изменена...
Страница 7 - Основной блок; micro
7 Основной блок P W R M i c r o S D R E S E T ( 1 ) ( 2 ) ( 3 ) ( 4 ) (1) – Световой индикатор питания 1) Если устройство включено, индикатор светится, если выключено – не светится 2) При записи видео индикатор медленно мигает (вспышка раз в секунду) 3) При неисправности (нет карты/карта переполнена...
Страница 9 - CMOS
9 Обратите внимание при использовании пульта ДУ: 1) Перед использованием пульта ДУ удалите защитную пленку2) Пульт ДУ работает в зоне беспрепятственной видимости ИК-приемника на расстоянии 2 метров3) Если пульт ДУ не отвечает на действия, замените батареи4) При замене батарей используйте аналогичные...
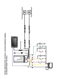
Страница 10 - Электрическая схема подключения; GPS
10 Электрическая схема подключения A : Синий – по дк лю чение к г о л овном у у стройств у или монит ор у B : Черный – дист анционное управ ление, инфракрасный да тчик C : Ж е лтый – видео вых о д D : Черный – фронт альная к амера E : Черный – тыл ов ая к амера F : микрофон G : GPS ра зъем (опция) 1...
Страница 12 - Режим
12 Описание LDWS функции Режим А: функция включена, движение корректно и нет никаких отклонений 4 0 k m / h 2 0 1 3 - 11 - 1 5 1 3 : 3 0 : 2 5 0 0 : 0 1 : 1 0 F r o n t C a m e r a ( 7 2 0 P ) Режим B : отклонение от нормального положения. Система издаст предупреждающий сигнал. Примечание: если разм...
Страница 13 - Режим контроля парковки; ACC; Системные настройки; PAL
13 Режим контроля парковки При парковке автомобиля, после выключения ACC , система перейдет в режим контроля парковки. Запись видео начнется автоматически, если в поле видимости сенсора появится движущийся объект (3,5 метра) или сработает G -сенсор. Системные настройки [ LDWS ] – вкл/выкл функцию ко...
Страница 14 - Воспроизведение файлов; PLAY
14 S e t D a t e / Ti m e : 2 0 1 4 0 3 0 8 1 2 1 2 S e t u S e t u S e t D a t e / Ti m e [Set Language] – выберите нужный язык [ Format SD - card ] – для форматирования карты используйте влево/ вправо, после нажмите ОК [ Delete INF files ] – для удаления видео-файлов используйте влево/ вправо, пос...
Страница 15 - Удаление одного или несколько файлов; В режиме ожидания нажмите; Установка видео-плеера на компьютер; В режиме ожидания нажмите кнопку
15 Удаление одного или несколько файлов В режиме ожидания нажмите PLAY для входа в меню просмотра видео, нажмите влево/вправо для выбора необходимого файла, нажмите кнопку REC (для удаления одного файла) / кнопку MODE (для удаления всех фалов), нажмите ОК для подтверждения 2 0 1 3 1 0 2 9 - 1 4 4 0 ...
Страница 18 - DVD
18 Видеовыход и вход камеры: А. Черный порт – пульт ДУ Б. Желтый порт – видеовыход В. Черный порт – передняя камера Г. Черный порт – задняя камера Силовые кабели и кабели переключателей: 1) Синий кабель – соединение с DVD или переключателем экрана 2) Черный кабель – заземление 3) Желтый кабель – плю...
Страница 21 - Описание системы; Запись Вид спереди Вид сзади
21 Описание системы Решение известных проблем:1. Отсутствует изображение на экране: Удостоверьтесь в правильном подключении видеовыхода и соединения с основным блоком.2. Отсутствует изображение с одной из камер: Удостоверьтесь в правильном подключении этой камеры и не повреждена ли она.3. Система не...